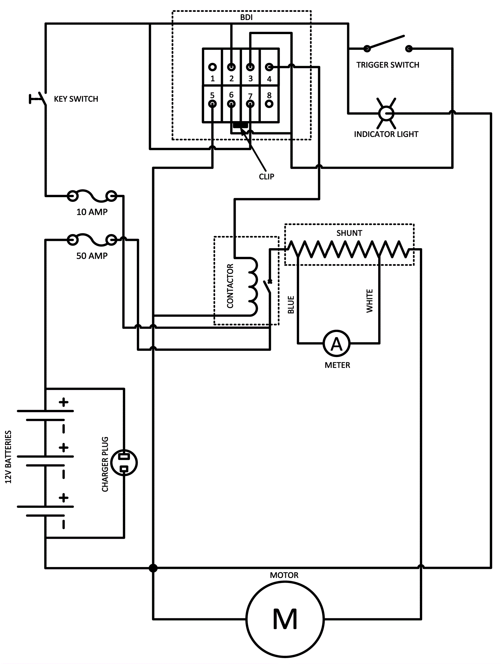
Electrical Diagram 2
Click to enlarge