| # | Part | Description | Price | Req | Notes | Availability |
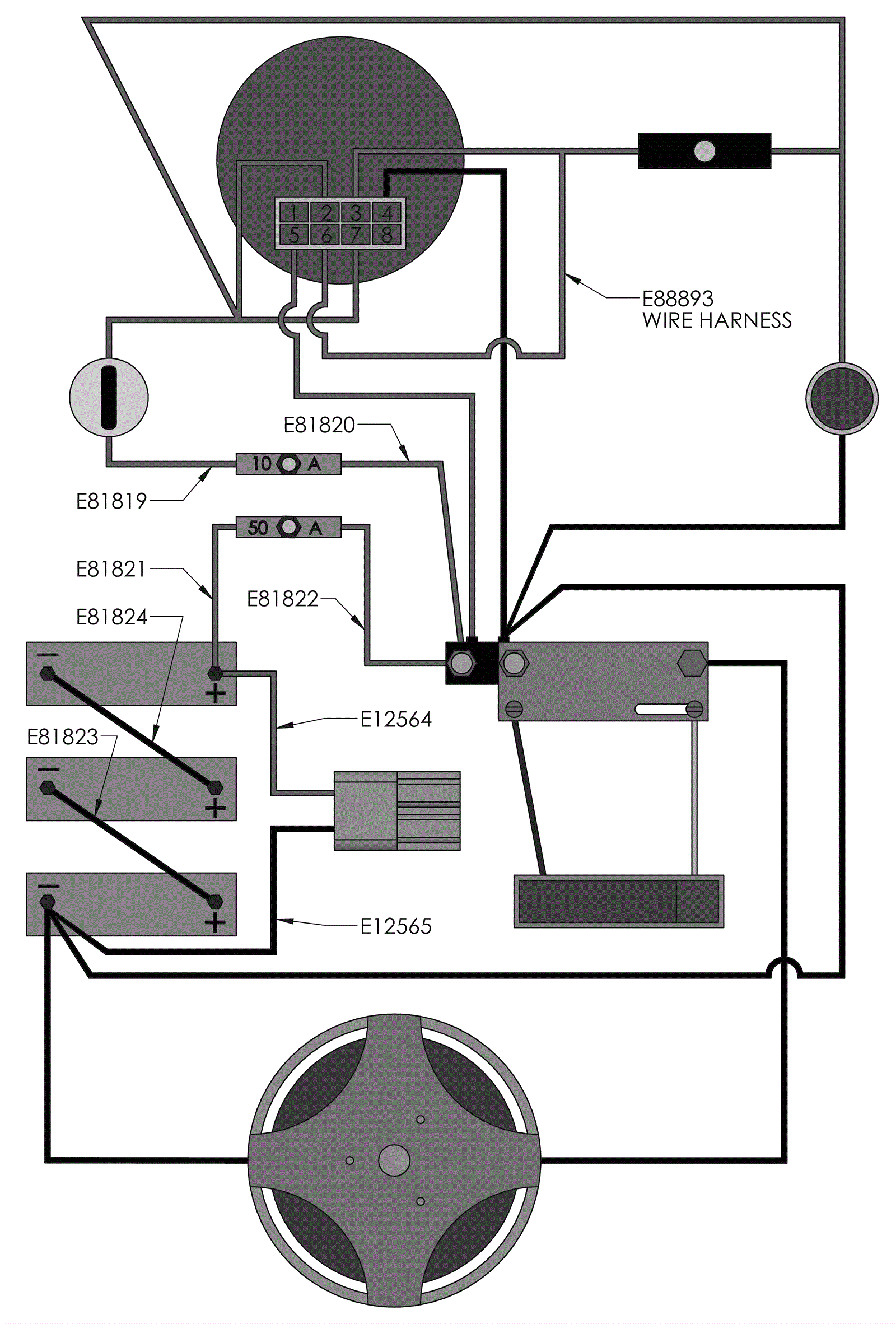
1 |
189-2295
|
Cable 4 awg 27 1/2 x 1/4 inch (red) |
$128.07
|
|
|
usually ships 12-17 days |
2 |
189-2296
|
Cable 4 awg 23 1/2 x 1/4 inch (black) |
$119.11
|
|
|
usually ships 12-17 days |
3 |
189-2288
|
Wire 18 awg 4 inch (red) |
$6.02
|
|
|
usually ships 12-17 days |
4 |
189-2289
|
Wire 16 awg 6 inch |
$6.38
|
|
|
usually ships 12-17 days |
5 |
189-2306
|
Cable 6 awg 21 1/2 x 1/4 inch lug #10 (red) |
$34.32
|
|
|
usually ships 12-17 days |
6 |
189-2290
|
Cable 6 awg 6 inch (red) |
$22.28
|
|
|
usually ships 12-17 days |
7 |
189-2308
|
Cable 6 awg 6 1/2 x 1/4 inch 2 lugs (black) |
$22.41
|
|
|
usually ships 12-17 days |
8 |
189-2309
|
Cable 6 awg 23 1/2 x 1/4 inch 2 lugs (black) |
$36.82
|
|
|
usually ships 12-17 days |
9 |
189-2312
|
Wire harness |
$88.53
|
|
|
usually ships 12-17 days |