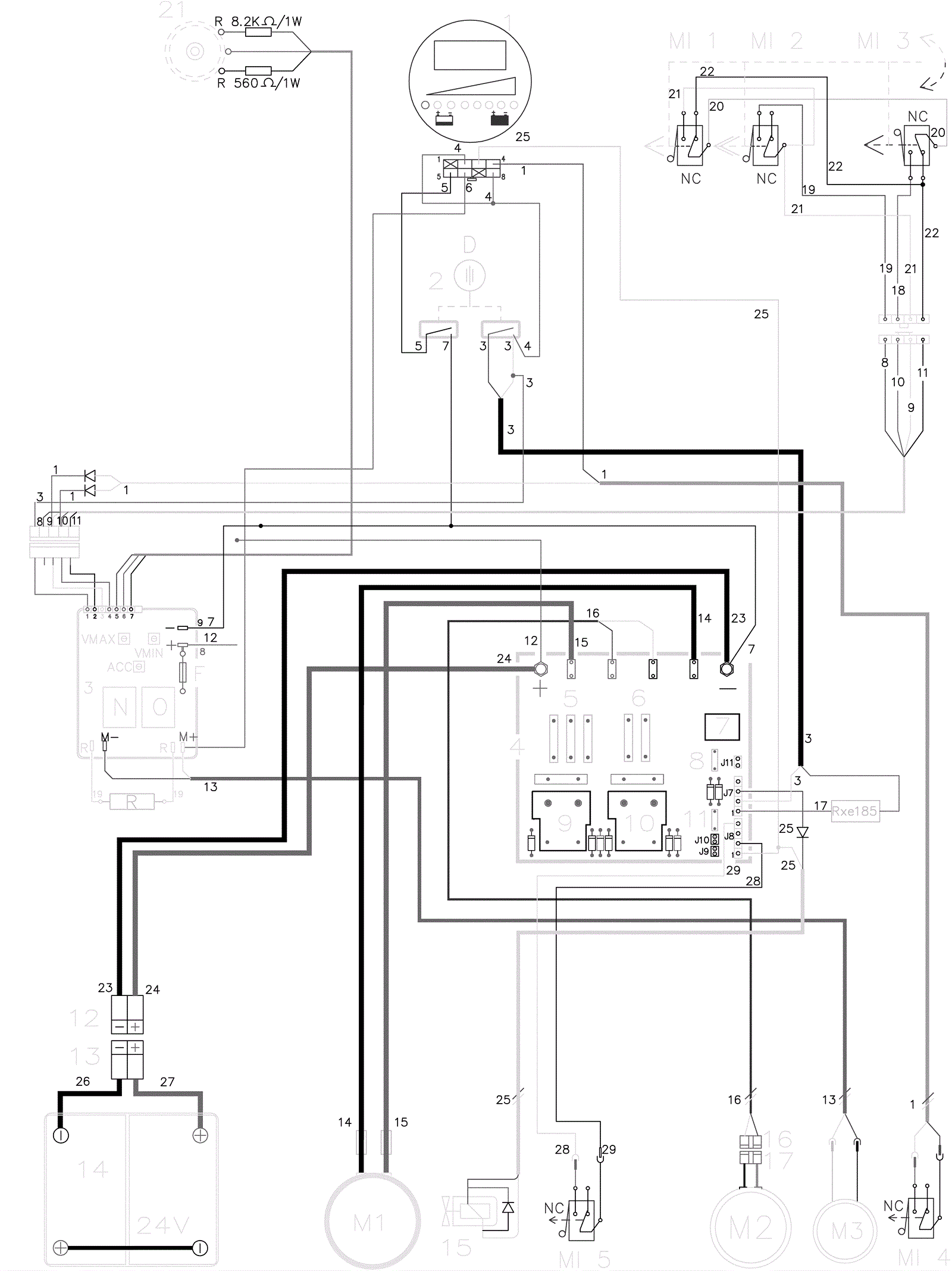
Wiring Diagram - Before SN 214999999
Click to enlarge