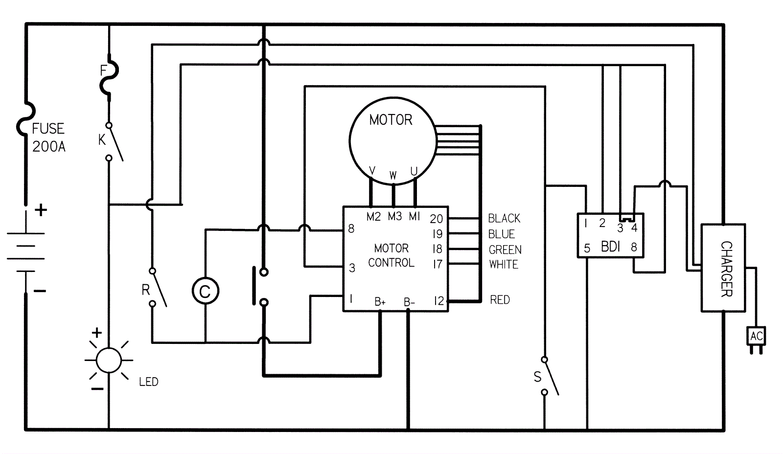
Wiring Ladder Diagram
Click to enlarge