# | Part | Description | Price | Req | Notes | Availability |
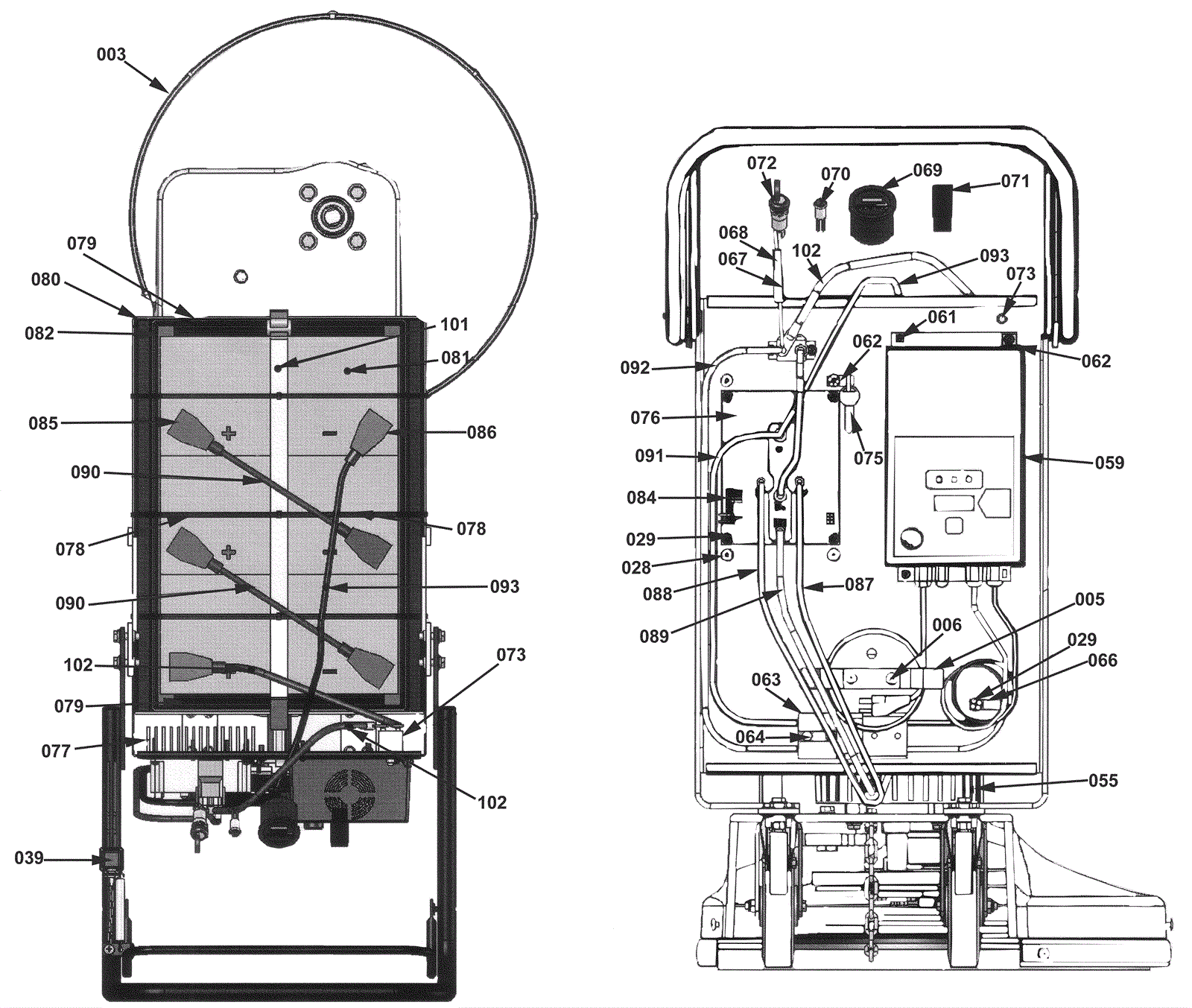
003 |
189-8202
|
Duracoat deck 21 inch |
$762.76
|
1 |
|
usually ships 1-5 days |
005 |
189-8235
|
Charger cord wrap |
$35.26
|
1 |
|
usually ships 1-5 days |
006 |
999-0487
|
Screw 1/4-20 x 3/4 pan head phillips zinc plated |
$0.99
|
2 |
|
ships same day |
027 |
189-9012
|
Red kill switch |
$55.46
|
1 |
XT3-27 |
usually ships 12-17 days |
028 |
999-0016
|
Washer 1/4 flat plain finish |
$0.99
|
16 |
|
ships same day |
029a |
189-8219
|
Screw 10-32 x 1 pan head phillips |
$2.18
|
17 |
XT3-21 |
usually ships 1-5 days |
029b |
189-8219
|
Screw 10-32 x 1 pan head phillips |
$2.18
|
6 |
XT3-27 |
usually ships 1-5 days |
055 |
189-9009
|
Brush motor |
$1,058.09
|
1 |
XT3-21 |
usually ships 12-17 days |
059 |
189-8228
|
On board battery charger |
$705.54
|
1 |
|
usually ships 12-17 days |
060a |
189-8219
|
Screw 10-32 x 1 pan head phillips |
$2.18
|
6 |
XT3-21 |
usually ships 1-5 days |
060b |
189-8219
|
Screw 10-32 x 1 pan head phillips |
$2.18
|
2 |
XT3-27 |
usually ships 1-5 days |
061 |
999-0016
|
Washer 1/4 flat plain finish |
$0.99
|
6 |
|
ships same day |
062 |
189-8452
|
J clip stamped hook |
$3.39
|
2 |
|
ships same day |
063 |
991-2112
|
175amp charger plug with pins (gray) SB175 |
$16.09
|
1 |
|
ships same day |
064 |
999-0136
|
Bolt 1/4-20 x 1 1/4 hex head grade 5 zinc plated |
$0.99
|
2 |
|
ships same day |
065a |
189-1201
|
Solenoid (black) |
$100.10
|
1 |
This is a black solenoid. |
usually ships 12-17 days |
065b |
189-8206
|
Solenoid (metal) |
$58.05
|
1 |
This is a shiny metal solenoid |
usually ships 12-17 days |
066 |
189-8264
|
Tube clip .75 |
$5.50
|
1 |
|
usually ships 1-5 days |
067 |
991-1309
|
10 amp AGC glass fuse |
$0.99
|
1 |
|
usually ships 1-5 days |
068 |
189-8265
|
Fuse holder for 1.25 AGC fuse |
$11.06
|
1 |
|
usually ships 1-5 days |
069 |
189-8266
|
Battery discharge indicator and hour meter |
$138.51
|
1 |
|
usually ships 1-5 days |
070 |
189-8267
|
36v Led lamp |
$29.83
|
1 |
|
usually ships 1-5 days |
071 |
189-7017
|
Rocker switch |
$59.65
|
1 |
|
usually ships 1-5 days |
072 |
189-8230
|
Heavy duty key switch with 2 keys |
$44.14
|
1 |
|
usually ships 12-17 days |
073 |
189-8320
|
Circuit breaker 70 amp |
$59.90
|
1 |
XT3-21 |
usually ships 1-5 days |
074 |
189-9600
|
Wire tie |
$2.38
|
1 |
|
usually ships 12-17 days |
076 |
189-1200
|
Control board |
$1,287.24
|
1 |
|
usually ships 1-5 days |
077 |
189-8271
|
Heat sink |
$113.49
|
1 |
|
usually ships 1-5 days |
078a |
189-8272
|
Cable tie black |
$19.28
|
6 |
XT3-21 |
usually ships 1-5 days |
078b |
189-8272
|
Cable tie black |
$19.28
|
4 |
XT3-27 |
usually ships 1-5 days |
079a |
189-8273
|
Plastic shim |
$4.18
|
14 |
XT3-21 |
usually ships 1-5 days |
079b |
189-8273
|
Plastic shim |
$4.18
|
12 |
XT3-27 |
usually ships 1-5 days |
080a |
189-8274
|
Battery tray (steel) |
$78.18
|
1 |
XT3-21 |
usually ships 1-5 days |
080b |
189-8274
|
Battery tray (steel) |
$78.18
|
2 |
XT3-27 |
usually ships 1-5 days |
081a |
162-0045
|
12V 140Ah AGM battery |
$693.69
|
3 |
XT3-21 |
ships same day |
081b |
162-0003
|
6V 225Ah wet battery (SNSR) |
$269.50
|
6 |
XT3-27 |
ships same day |
082a |
189-8275
|
Battery tray plastic |
$28.49
|
1 |
XT3-21 |
usually ships 1-5 days |
082b |
189-8275
|
Battery tray plastic |
$28.49
|
2 |
XT3-27 |
usually ships 1-5 days |
083 |
189-8276
|
Loom |
$3.83
|
1 |
XT3-21 |
usually ships 1-5 days |
084 |
189-8277
|
Wiring harness |
$121.97
|
1 |
|
usually ships 12-17 days |
085a |
189-8594
|
Red terminal cover |
$15.79
|
3 |
XT3-21 |
usually ships 12-17 days |
085b |
189-8594
|
Red terminal cover |
$15.79
|
6 |
XT3-27 |
usually ships 12-17 days |
086a |
189-8595
|
Black terminal cover |
$13.15
|
3 |
XT3-21 |
usually ships 1-5 days |
086b |
189-8595
|
Black terminal cover |
$13.15
|
6 |
XT3-27 |
usually ships 1-5 days |
087a |
189-8280
|
Battery cable wire black 4 gauge |
$84.46
|
1 |
XT3-21 |
usually ships 1-5 days |
087b |
189-8581
|
Battery cable 4 gauge black 52 inches |
$110.13
|
1 |
XT3-27 |
usually ships 1-5 days |
088a |
189-8281
|
Battery cable wire red 4 gauge |
$84.46
|
1 |
XT3-21 |
usually ships 1-5 days |
088b |
189-8583
|
Battery cable 4 gauge red 52 inches |
$110.13
|
6 |
XT3-27 |
usually ships 1-5 days |
089a |
189-8282
|
Battery cable 4 gauge red with yellow ends |
$87.64
|
1 |
XT3-21 |
usually ships 1-5 days |
089b |
189-8580
|
Battery cable 4 gauge red with yellow ends 49 inches |
$79.56
|
1 |
XT3-27 |
usually ships 1-5 days |
090 |
189-8283
|
Battery cable 4 gauge red or black 16 inch |
$21.84
|
2 |
|
usually ships 1-5 days |
091 |
189-8582
|
Battery charging cable 4 gauge black 24 inch |
$119.11
|
1 |
|
usually ships 1-5 days |
092 |
189-8285
|
Battery cable 4 gauge red charging 28 inch |
$128.07
|
1 |
|
usually ships 1-5 days |
093 |
189-8280
|
Battery cable wire black 4 gauge |
$84.46
|
1 |
|
usually ships 1-5 days |
094 |
189-8495
|
Terminal wire battery to battery |
$13.22
|
1 |
|
usually ships 1-5 days |
101 |
189-8288
|
Battery strap with finger loop 72 inch |
$12.08
|
1 |
|
usually ships 1-5 days |
102a |
189-8283
|
Battery cable 4 gauge red or black 16 inch |
$21.84
|
2 |
XT3-21 |
usually ships 1-5 days |
102b |
189-8579
|
Battery cable 4 gauge red 15 inches |
Call for price
|
1 |
XT3-27 |
usually ships 1-5 days |
105 |
189-8577
|
Battery end spacer |
$11.41
|
4 |
XT3-27 |
usually ships 1-5 days |
N/S |
189-8217
|
200 amp fuse |
$31.96
|
1 |
XT3-27 |
usually ships 1-5 days |
N/S |
189-8218
|
Fuse block |
$32.26
|
1 |
XT3-27 |
usually ships 1-5 days |
N/S |
189-8220
|
Nut 10-32 |
$2.18
|
2 |
XT3-27 |
usually ships 1-5 days |
N/S |
189-8576
|
Battery cable 4 gauge red |
Call for price
|
5 |
XT3-27 |
usually ships 1-5 days |
N/S |
189-8579
|
Battery cable 4 gauge red 15 inches |
Call for price
|
1 |
XT3-27 |
usually ships 1-5 days |
N/S |
189-8584
|
Battery cable 4 gauge 20 inches |
$39.11
|
1 |
XT3-27 |
usually ships 1-5 days |