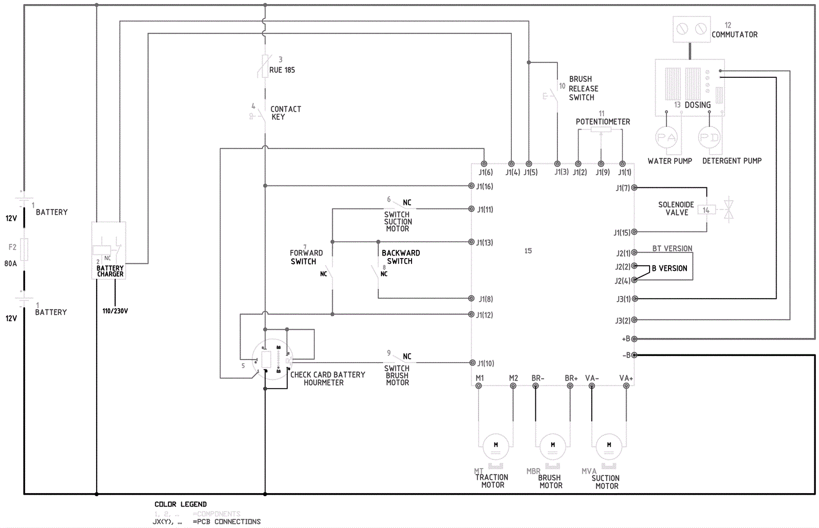
| # | Part | Description | Price | Req | Notes | Availability |
1 |
N/A
|
Not available |
Call for price
|
2 |
(batteries) |
usually ships 3-26 days |
2 |
N/A
|
Not available |
Call for price
|
1 |
(battery charger) |
usually ships 3-26 days |
3 |
N/A
|
Not available |
Call for price
|
1 |
(fuse) |
usually ships 3-26 days |
4 |
189-7549
|
Key switch |
$77.25
|
1 |
|
usually ships 12-17 days |
5 |
189-4720
|
Battery discharge indicator |
$627.53
|
1 |
|
usually ships 12-17 days |
6 |
189-6224
|
Microswitch |
$74.38
|
1 |
|
usually ships 12-17 days |
7 |
189-6349
|
Microswitch |
$31.10
|
1 |
|
usually ships 12-17 days |
8 |
189-6349
|
Microswitch |
$31.10
|
1 |
|
usually ships 12-17 days |
9 |
189-6257
|
Microswitch |
$65.80
|
1 |
|
usually ships 1-5 days |
10 |
189-4711
|
Push button |
$178.77
|
1 |
|
usually ships 12-17 days |
11 |
189-6367
|
Potentiometer |
$46.11
|
1 |
|
usually ships 12-17 days |
12 |
N/A
|
Not available |
Call for price
|
0 |
(dilution control commutator card) (not used) |
usually ships 3-26 days |
13 |
N/A
|
Not available |
Call for price
|
0 |
(dilution control card) (not used) |
usually ships 3-26 days |
14 |
189-7546
|
Solenoid valve |
$304.73
|
1 |
|
usually ships 12-17 days |
15 |
189-4717
|
Control card |
$1,722.41
|
1 |
|
usually ships 12-17 days |
F2 |
189-3214
|
Battery cable with 80amp fuse |
$325.22
|
1 |
|
usually ships 12-17 days |
MT |
189-4373
|
24V drive motor |
$1,925.66
|
1 |
|
usually ships 1-5 days |
MBR |
189-4651
|
24V brush motor |
$1,197.27
|
1 |
|
usually ships 12-17 days |
MVA |
189-7547
|
24V vacuum motor |
$760.16
|
1 |
|
usually ships 12-17 days |