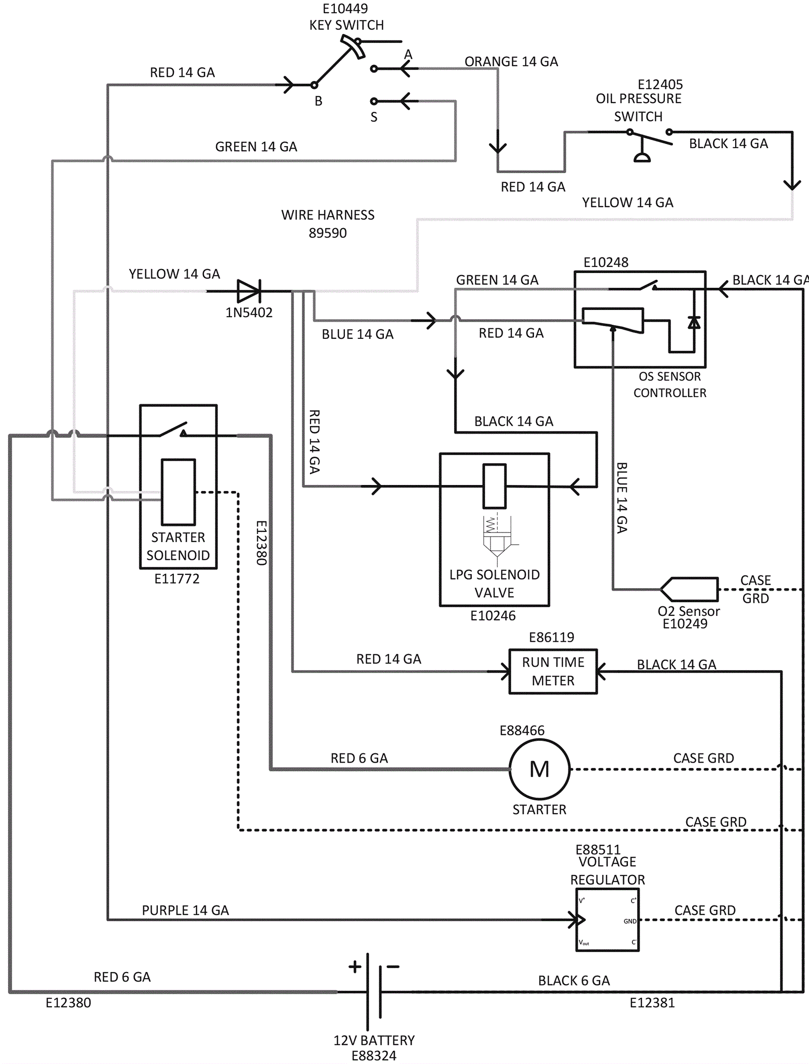
Emissions Diagram
Click to enlarge