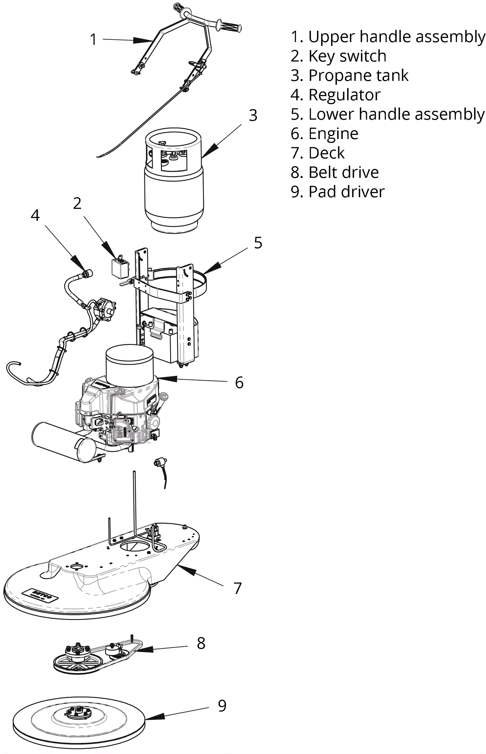
- Know Your Machine
Click to enlarge