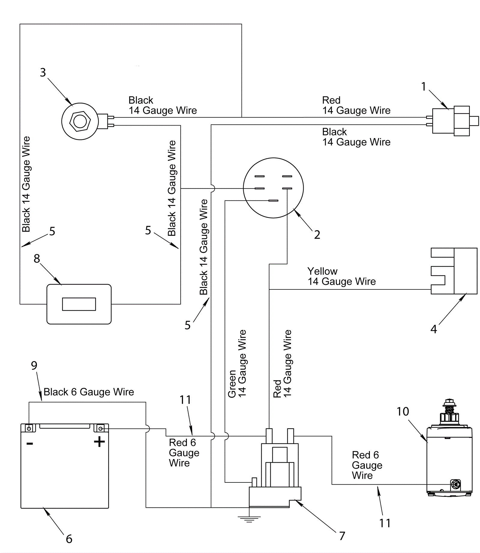
| # | Part | Description | Price | Req | Notes | Availability | 
|---|
          
            
            
                
                  
                  
                  
				       
				      1 | 189-8542 | Oil pressure switch with 2 prongs | $151.49 | 1 |  | usually ships 12-17 days | 2 | 169-0016 | Key switch assembly with two keys | $97.93 | 1 |  | ships same day | 3 | 189-5642 | 12V fuel lock off | $65.64 | 1 |  | ships same day | 4 | 178-0265 | Voltage regulator | $56.23 | 1 |  | ships same day | 5 | 189-0801 | 14 gauge wire (black) | $2.18 | 3 |  | usually ships 1-5 days | 6 | 162-0007 | 12V 12Ah sealed battery | $124.80 | 1 |  | ships same day | 7 | 204-0120 | 12V solenoid | $27.61 | 1 |  | usually ships 12-17 days | 8 | 189-3086 | Hour meter | $28.85 | 1 |  | ships same day | 9 | 189-0704 | 6 gauge wire (black) | $42.90 | 1 |  | usually ships 1-5 days | 10 | 178-7106 | Electric starter | $238.27 | 1 |  | usually ships 7-10 days | 11 | 189-8047 | Battery cable  (red) | $42.90 | 2 |  | usually ships 12-17 days |