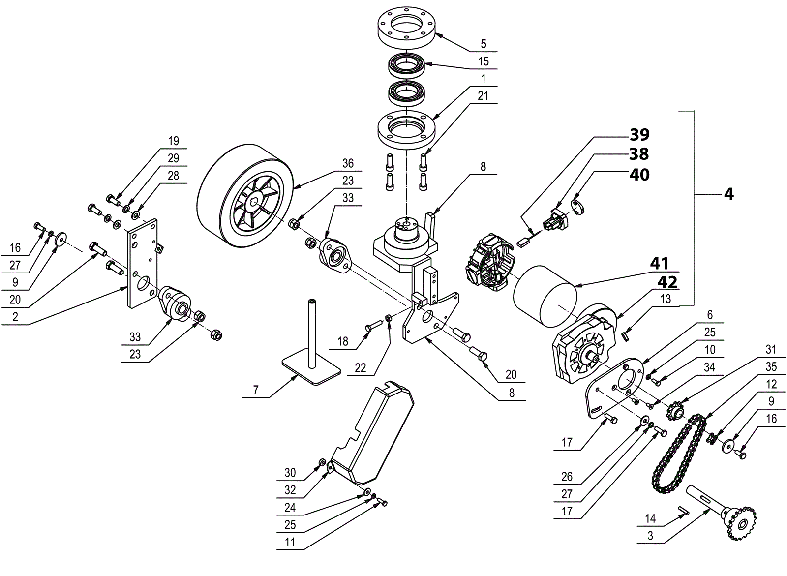
| # | Part | Description | Price | Req | Notes | Availability |
1 |
189-8895
|
Bearing retainer |
$210.16
|
1 |
|
usually ships 12-17 days |
2 |
189-8896
|
Bracket |
$86.98
|
1 |
|
usually ships 12-17 days |
3 |
189-8897
|
Traction drive sprocket axle |
$213.04
|
1 |
|
usually ships 12-17 days |
4 |
189-8898
|
24V traction motor assembly |
$1,196.05
|
1 |
(includes 13, 38-42) |
usually ships 12-17 days |
5 |
189-8904
|
Bearing hub |
$248.90
|
1 |
|
usually ships 12-17 days |
6 |
189-8905
|
Motor mount plate |
$72.49
|
1 |
|
usually ships 12-17 days |
7 |
189-8906
|
Brake shoe |
$65.04
|
1 |
|
usually ships 12-17 days |
8 |
189-8907
|
Traction motor support bracket |
$1,825.34
|
3 |
|
usually ships 12-17 days |
9 |
250-1320
|
Washer |
$12.84
|
2 |
|
usually ships 12-17 days |
10 |
999-0507
|
Bolt M6-1 x 16mm hex head full thread plain finish |
$0.99
|
1 |
|
ships same day |
12 |
189-9100
|
Master chain link |
$16.92
|
1 |
|
usually ships 1-5 days |
13 |
189-3240
|
Square key for shaft |
$6.95
|
1 |
|
usually ships 12-17 days |
14 |
189-9354
|
Shaft key |
$12.84
|
1 |
|
usually ships 12-17 days |
15 |
189-4573
|
Bearing |
$47.19
|
2 |
|
usually ships 12-17 days |
16 |
999-1133
|
Bolt M8-1.25 x 20mm hex head full thread plain |
$0.99
|
2 |
|
ships same day |
17 |
999-0581
|
Bolt M8-1.25 x 25mm hex head full thread zinc |
$0.99
|
2 |
|
ships same day |
18 |
189-5374
|
Bolt M8 x 35mm |
$3.85
|
1 |
|
usually ships 12-17 days |
19 |
189-4510
|
Bolt M10 x 25mm hex zinc |
$12.84
|
1 |
|
usually ships 12-17 days |
20 |
999-0504
|
Bolt M12-1.75 x 35mm hex hd stainless steel full thread |
$4.82
|
3 |
|
ships same day |
21 |
189-4514
|
Screw M10 x 30mm zinc |
$17.41
|
4 |
|
usually ships 12-17 days |
22 |
999-1424
|
Nut M8-1.25 hex stainless steel |
$1.65
|
1 |
|
ships same day |
24 |
999-1261
|
Washer M6 flat stainless steel |
$0.99
|
1 |
|
ships same day |
26 |
189-6198
|
Flat washer |
$2.38
|
1 |
|
usually ships 12-17 days |
27 |
189-9084
|
Washer M8 lock zinc |
$12.84
|
2 |
|
usually ships 12-17 days |
28 |
999-9099
|
Washer M10 flat stainless steel |
$0.99
|
2 |
|
ships same day |
30 |
189-6298
|
Nylon spacer |
$6.95
|
1 |
|
usually ships 12-17 days |
31 |
289-0029
|
Sprocket |
$63.39
|
1 |
|
usually ships 12-17 days |
32 |
189-8908
|
Chain guard |
$86.98
|
1 |
|
usually ships 12-17 days |
33 |
189-8909
|
Flange bearing |
$208.29
|
2 |
|
usually ships 12-17 days |
34 |
189-8910
|
Screw M6 x 14 flat head socket machine |
Call for price
|
1 |
|
usually ships 12-17 days |
35 |
289-0030
|
Traction drive chain |
$40.57
|
1 |
|
usually ships 12-17 days |
36 |
189-3253
|
Wheel 220 OD x 80 W |
$370.46
|
1 |
|
usually ships 12-17 days |
38 |
189-8911
|
Carbon brush holder |
$116.82
|
1 |
|
usually ships 12-17 days |
39 |
189-8900
|
Carbon brush |
$41.39
|
1 |
|
usually ships 12-17 days |
40 |
189-8901
|
Carbon brush holder cap |
$100.67
|
1 |
|
usually ships 12-17 days |
41 |
189-8902
|
24V traction motor |
Call for price
|
1 |
|
usually ships 12-17 days |
42 |
189-8903
|
Traction motor gear box |
$1,704.42
|
1 |
|
usually ships 12-17 days |
N/S |
189-8899
|
Carbon brush holder assembly |
$1,091.45
|
1 |
|
usually ships 12-17 days |