| # | Part | Description | Price | Req | Notes | Availability |
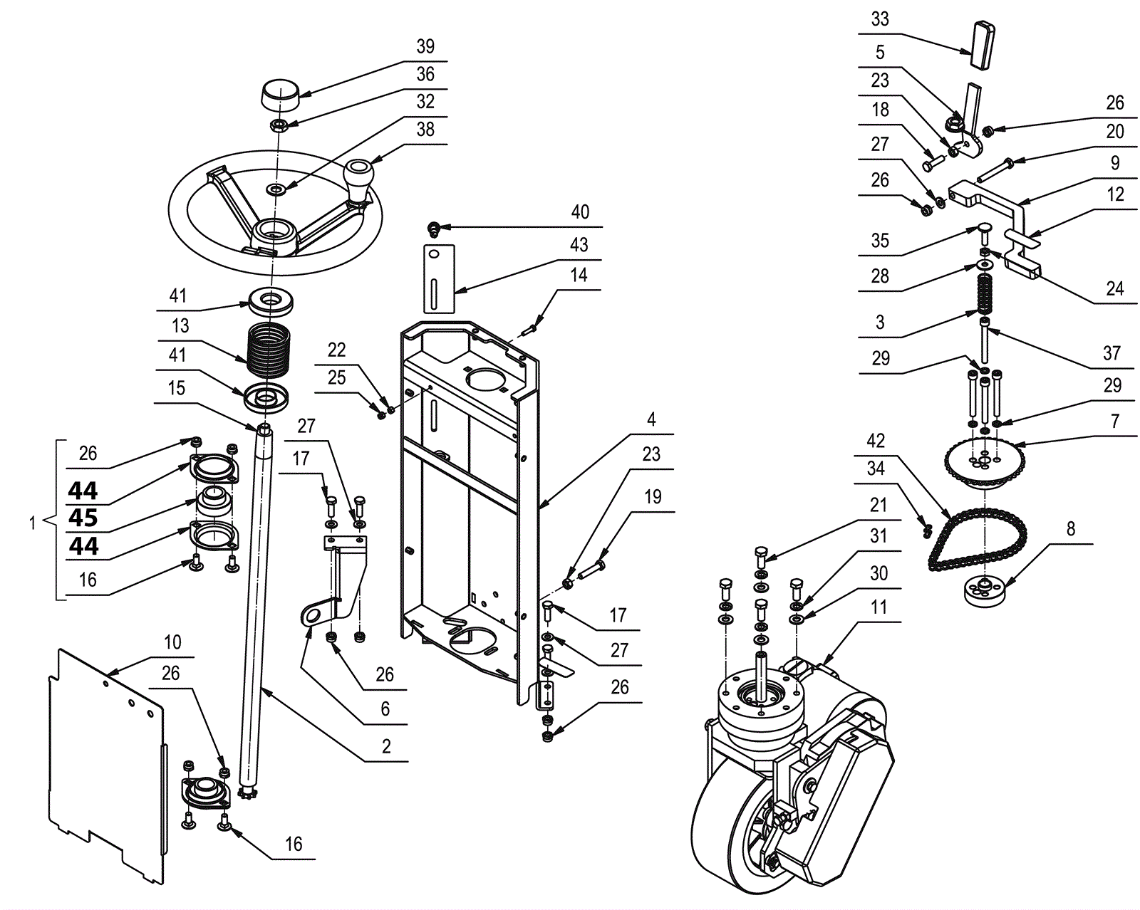
1 |
189-8877
|
Bearing assembly |
$111.10
|
1 |
(includes 16 (2pcs), 26 (2pcs), 44-45) |
usually ships 12-17 days |
2 |
189-8878
|
Steering shaft |
$269.80
|
1 |
|
usually ships 12-17 days |
3 |
189-8879
|
Compression spring 20 x 60 |
$55.53
|
1 |
|
usually ships 12-17 days |
4 |
189-8880
|
Steering column |
$936.02
|
1 |
|
usually ships 12-17 days |
5 |
189-8881
|
Parking brake lever |
$70.87
|
1 |
|
usually ships 12-17 days |
6 |
189-8882
|
Bracket |
$172.56
|
1 |
|
usually ships 12-17 days |
7 |
189-8883
|
Sprocket |
$201.11
|
1 |
|
usually ships 12-17 days |
8 |
189-8884
|
Spacer |
$89.93
|
1 |
|
usually ships 12-17 days |
9 |
189-8885
|
Brake pedal |
$184.61
|
1 |
|
usually ships 12-17 days |
10 |
189-8886
|
Panel |
$139.51
|
1 |
|
usually ships 12-17 days |
11 |
189-8801
|
Traction motor assembly |
$2,841.38
|
1 |
|
usually ships 12-17 days |
12 |
189-8887
|
Anti-slip tape |
$32.56
|
1 |
|
usually ships 12-17 days |
13 |
189-4534
|
Bellows |
$14.71
|
1 |
|
usually ships 12-17 days |
14 |
999-0498
|
Bolt M5-.8 x 20mm hex head full thread zinc |
$0.99
|
1 |
|
ships same day |
16 |
189-4509
|
Screw |
$17.41
|
3 |
|
usually ships 12-17 days |
17 |
999-0581
|
Bolt M8-1.25 x 25mm hex head full thread zinc |
$0.99
|
3 |
|
ships same day |
18 |
999-0248
|
Bolt M8-1.25 x 30mm hex head full thread plain finish |
$0.99
|
1 |
|
ships same day |
19 |
999-0787
|
Bolt M8-1.25 x 40mm hex head full thread stainless steel |
$2.48
|
1 |
|
ships same day |
20 |
250-1385
|
Screw M8 x 60mm |
$4.88
|
1 |
|
usually ships 1-5 days |
21 |
189-4510
|
Bolt M10 x 25mm hex zinc |
$12.84
|
4 |
|
usually ships 12-17 days |
22 |
999-0740
|
Nut M5-.8 hex stainless steel |
$0.99
|
1 |
|
ships same day |
23 |
999-1424
|
Nut M8-1.25 hex stainless steel |
$1.65
|
2 |
|
ships same day |
24 |
206-5138
|
Nut (OBSOLETE) |
Call for price
|
1 |
|
usually ships 1-5 days |
25 |
189-8730
|
Nut M5 x 7mm hex nylock zinc |
$12.84
|
1 |
|
usually ships 12-17 days |
26 |
999-0471
|
Nut M8-1.25 nylon insert lock zinc plated |
$0.99
|
7 |
|
ships same day |
27 |
999-1267
|
Washer M8 flat zinc |
$0.99
|
4 |
|
ships same day |
28 |
189-6198
|
Flat washer |
$2.38
|
1 |
|
usually ships 12-17 days |
29 |
189-9084
|
Washer M8 lock zinc |
$12.84
|
4 |
|
usually ships 12-17 days |
30 |
999-9099
|
Washer M10 flat stainless steel |
$0.99
|
4 |
|
ships same day |
32 |
189-8888
|
Washer M15 x 28 x 2.5 flat zinc |
Call for price
|
1 |
|
usually ships 12-17 days |
33 |
189-5430
|
Weight |
$820.38
|
1 |
|
usually ships 12-17 days |
34 |
189-4455
|
Master chain link |
$11.13
|
1 |
|
usually ships 12-17 days |
35 |
189-8818
|
Bolt M8 x 30 carriage zinc |
$4.38
|
1 |
|
usually ships 12-17 days |
36 |
189-8889
|
Nut M14 hex jam zinc |
$17.41
|
1 |
|
usually ships 12-17 days |
37 |
999-1379
|
Screw M8-1.25 x 70mm socket head stainless steel |
$0.99
|
4 |
|
usually ships 1-5 days |
38 |
189-8890
|
Steering wheel |
$309.21
|
1 |
|
usually ships 12-17 days |
39 |
189-8891
|
Steering wheel cap |
$31.63
|
1 |
|
usually ships 12-17 days |
40 |
189-8892
|
Horn push button |
$398.88
|
1 |
|
usually ships 12-17 days |
41 |
189-4555
|
Bellows collar |
$20.27
|
2 |
|
usually ships 12-17 days |
42 |
189-8893
|
Chain |
$43.53
|
1 |
|
usually ships 12-17 days |
43 |
189-8894
|
Solution flow horn decal |
$27.47
|
1 |
|
usually ships 12-17 days |
44 |
189-4551
|
Bearing flange |
$9.65
|
2 |
|
usually ships 12-17 days |
45 |
189-4552
|
Bearing |
$74.93
|
1 |
|
usually ships 12-17 days |