# | Part | Description | Price | Req | Notes | Availability |
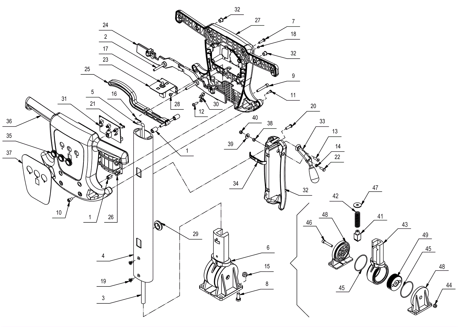
1 |
189-8731
|
Nut M6 x 13mm hex high zinc |
$17.41
|
4 |
|
usually ships 1-5 days |
2 |
189-8695
|
Spring pin |
$24.15
|
3 |
|
usually ships 1-5 days |
3 |
189-8703
|
Connector tube |
$17.41
|
1 |
|
usually ships 1-5 days |
4 |
189-9065
|
Handle tube |
$274.75
|
1 |
|
usually ships 1-5 days |
5 |
189-8704
|
Tie rod |
$35.33
|
1 |
|
usually ships 12-17 days |
6 |
189-8714
|
Handle pivot base assembly |
$360.88
|
1 |
(includes 41-49) |
usually ships 12-17 days |
8 |
999-1133
|
Bolt M8-1.25 x 20mm hex head full thread plain |
$0.99
|
4 |
|
ships same day |
9 |
999-1593
|
Screw M6-1 x 40mm socket head stainless steel |
$1.85
|
4 |
|
ships same day |
10 |
999-1590
|
Screw M6-1 x 10mm socket head zinc |
$0.99
|
4 |
|
ships same day |
11 |
189-9074
|
Screw M9 x 16mm |
$17.41
|
2 |
|
usually ships 1-5 days |
12 |
189-8724
|
Screw M4-.8 x 19mm pan head phillips self tapping zinc |
$17.41
|
1 |
|
usually ships 1-5 days |
13 |
189-6189
|
Screw M5 x 20mm |
$2.38
|
1 |
|
usually ships 12-17 days |
14 |
999-0740
|
Nut M5-.8 hex stainless steel |
$0.99
|
1 |
|
ships same day |
15 |
999-0471
|
Nut M8-1.25 nylon insert lock zinc plated |
$0.99
|
4 |
|
ships same day |
17 |
206-0688
|
Microswitch |
$40.59
|
1 |
|
ships same day |
18 |
189-9075
|
Plug |
$6.95
|
1 |
|
usually ships 1-5 days |
19 |
999-0807
|
Screw M6-1 x 10mm flat head phillips |
$2.49
|
2 |
|
ships same day |
20 |
999-1591
|
Screw M6-1 x 20mm button head socket stainless steel |
$0.99
|
2 |
|
ships same day |
21 |
189-9076
|
Screw M2.9 x 9.5mm pan head phillips zinc |
$2.38
|
4 |
|
usually ships 12-17 days |
22 |
999-1587
|
Bolt M5-.8 x 14mm hex head zinc |
$0.99
|
1 |
|
usually ships 16-20 days |
23 |
189-8696
|
Bracket |
$28.95
|
1 |
|
usually ships 1-5 days |
24 |
189-8697
|
Switch lever |
$5.50
|
2 |
|
usually ships 12-17 days |
25 |
189-8698
|
Handle adjustement lever |
$5.50
|
1 |
|
usually ships 12-17 days |
26 |
189-8694
|
Support |
$31.44
|
1 |
|
usually ships 12-17 days |
27 |
189-3101
|
Rear handle bar console |
$93.09
|
1 |
|
usually ships 12-17 days |
28 |
189-8728
|
Screw M4-.8 x 9.5mm pan head phillips self tapping ss |
$17.41
|
4 |
|
usually ships 1-5 days |
29 |
189-8700
|
Grommet |
$6.95
|
1 |
|
usually ships 1-5 days |
30 |
189-8701
|
Wire clamp |
$11.61
|
1 |
|
usually ships 1-5 days |
31 |
189-8610
|
Electrical board control switch |
$171.71
|
1 |
|
usually ships 12-17 days |
32a |
189-8705
|
Cap |
$5.50
|
2 |
|
usually ships 1-5 days |
32b |
189-9077
|
Plastic cover |
$37.21
|
1 |
|
usually ships 12-17 days |
33 |
189-8706
|
Squeegee lift lever |
$7.48
|
1 |
|
usually ships 12-17 days |
34 |
189-9078
|
Plastic mounting clip |
$12.84
|
1 |
|
usually ships 12-17 days |
35 |
189-4367
|
Rubber push button panel |
$16.81
|
1 |
|
usually ships 12-17 days |
36 |
189-9079
|
Front handle bar console |
$52.05
|
1 |
|
usually ships 12-17 days |
37 |
189-5132
|
Push button decal |
$31.63
|
1 |
|
usually ships 12-17 days |
38 |
189-6190
|
Spacer |
$12.84
|
1 |
|
usually ships 12-17 days |
40 |
189-8729
|
Nut M5 hex nyloc jam |
$3.49
|
1 |
|
usually ships 1-5 days |
41 |
189-9066
|
Pin |
$22.36
|
1 |
|
usually ships 12-17 days |
42 |
189-9067
|
Spring |
$5.50
|
1 |
|
usually ships 1-5 days |
43 |
189-8714
|
Handle pivot base assembly |
$360.88
|
1 |
|
usually ships 12-17 days |
44 |
999-0471
|
Nut M8-1.25 nylon insert lock zinc plated |
$0.99
|
1 |
|
ships same day |
45 |
189-9069
|
O-ring |
$14.85
|
2 |
|
usually ships 1-5 days |
46 |
999-1608
|
Screw M8-1.25 x 45mm socket head stainless steel |
$2.38
|
1 |
|
usually ships 1-5 days |
47 |
250-1320
|
Washer |
$12.84
|
1 |
|
usually ships 12-17 days |
48 |
189-9072
|
Geared support |
$53.32
|
2 |
|
usually ships 12-17 days |
49 |
189-9073
|
Pivot gear |
$46.45
|
1 |
|
usually ships 12-17 days |
N/S |
189-6372
|
Betco Genie wall chart |
Call for price
|
1 |
|
usually ships 12-17 days |