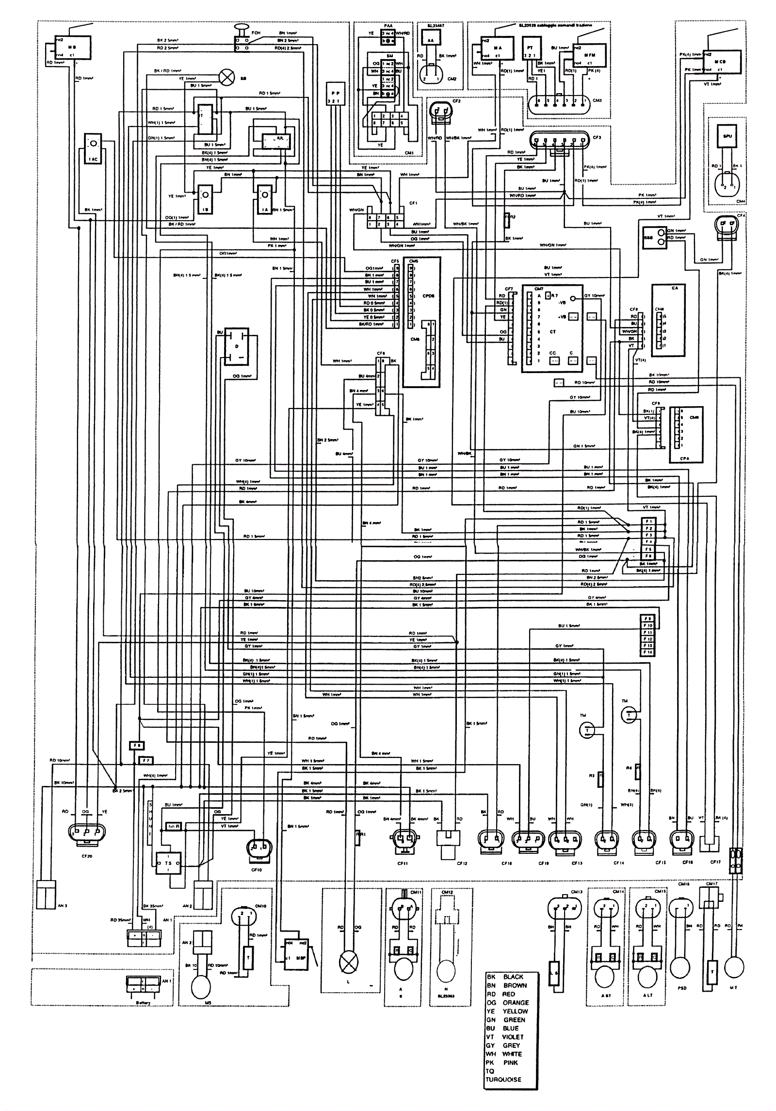
Wiring Diagram