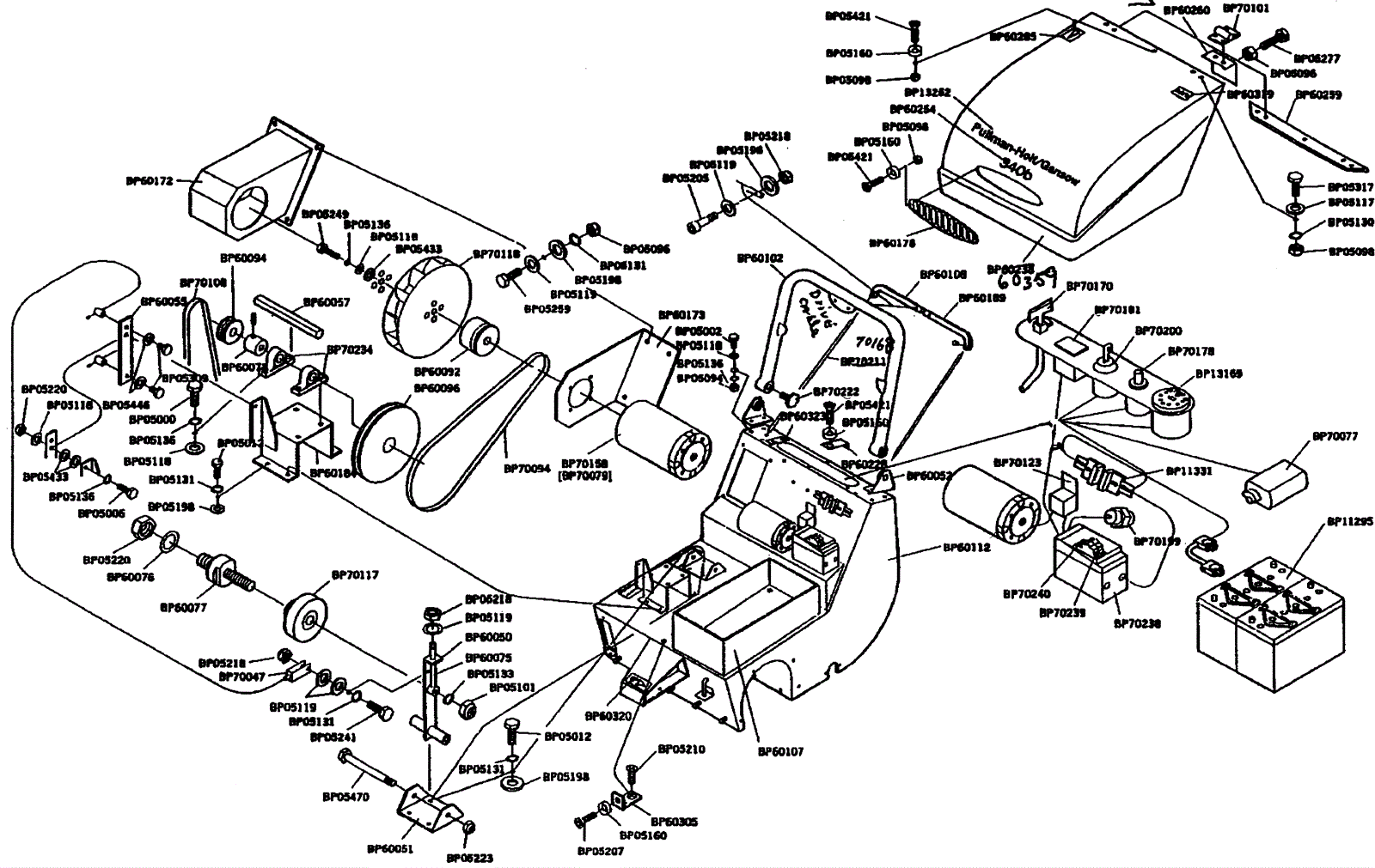
Chassis and Drive Unit
Click to enlarge