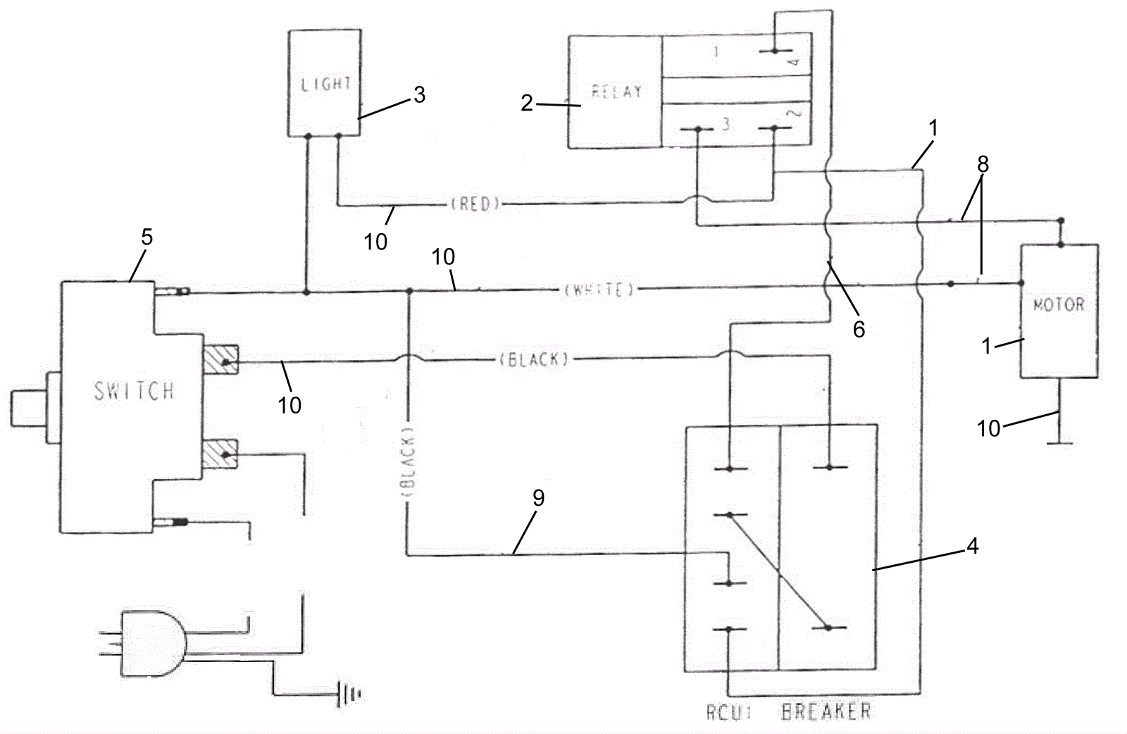
Glazer 2000E
Wiring Diagram
# | Part | Description | Price | Req | Notes | Availability |
1 |
183-0969
|
115V 1.5HP brush motor |
$885.46
|
1 |
|
usually ships 1-5 days |
2 |
183-4652
|
Start relay |
$63.09
|
1 |
|
usually ships 14-19 days |
3 |
183-7584
|
Red light (Obsolete) |
$18.06
|
1 |
|
usually ships 1-5 days |
4 |
183-7585
|
Circuit breaker |
$366.72
|
1 |
|
usually ships 14-19 days |
5 |
183-0050
|
On/off switch |
$79.53
|
1 |
|
usually ships 14-19 days |
6 |
183-7586
|
Jumper relay (Obsolete) |
Call for price
|
1 |
|
usually ships 1-5 days |
7 |
183-7587
|
Lead (Obsolete) |
Call for price
|
1 |
|
usually ships 1-5 days |
8 |
183-7588
|
Extension cable (Obsolete) |
Call for price
|
1 |
|
usually ships 1-5 days |
9 |
183-7589
|
6 inch lead (Obsolete) |
Call for price
|
1 |
|
usually ships 1-5 days |
10 |
183-7590
|
Handle cable assembly |
$37.83
|
1 |
|
usually ships 1-5 days |
11 |
183-7591
|
4 inch lead (Obsolete) |
Call for price
|
1 |
|
usually ships 1-5 days |