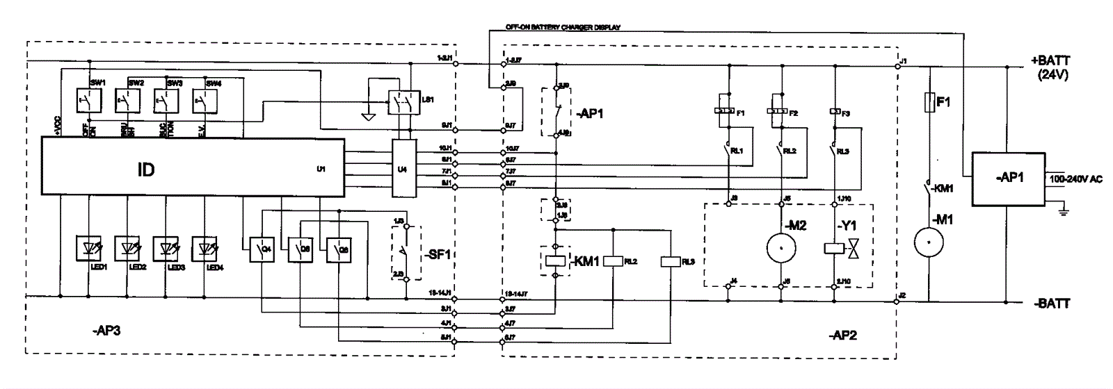
Wiring Diagram SN 16000173 - SN 18003397
Click to enlarge