| # | Part | Description | Price | Req | Notes | Availability |
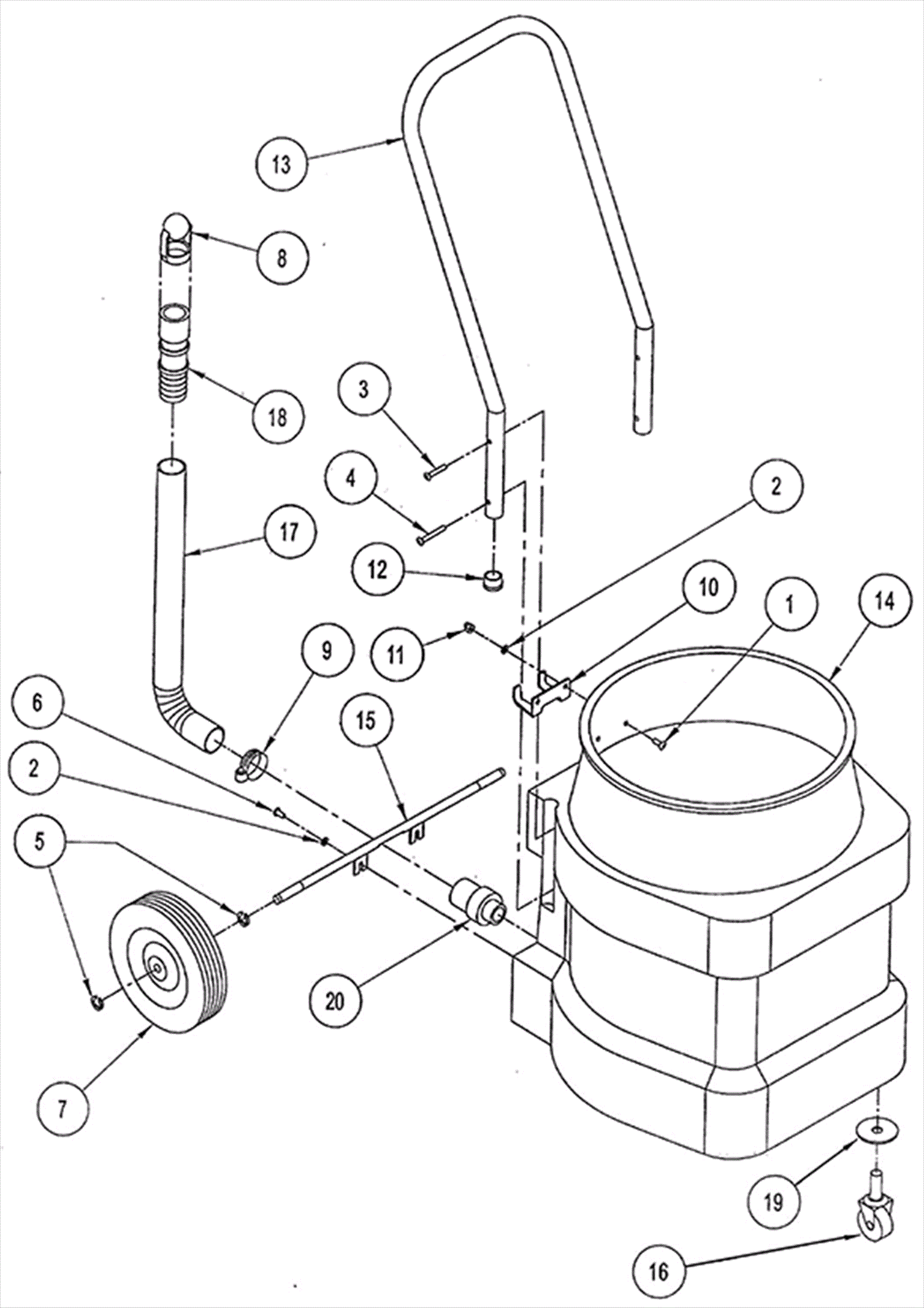
1 |
183-1290
|
Screw 1/4-20 x 3/4 oval head nickel |
$0.99
|
2 |
|
usually ships 14-19 days |
2 |
183-9600
|
Washer |
$0.99
|
4 |
|
usually ships 14-19 days |
3 |
183-9601
|
Screw 1/4-20 x 1-1/2 |
$0.99
|
4 |
|
usually ships 14-19 days |
4 |
183-0488
|
Screw 1/4-20 x 2 round head |
$0.99
|
1 |
|
usually ships 14-19 days |
5 |
183-0041
|
Retaining ring |
$2.63
|
4 |
|
ships same day |
6 |
183-9602
|
Screw 1/4-20 x 5/8 round head |
$0.99
|
2 |
|
usually ships 14-19 days |
7 |
183-9603
|
Wheel |
$41.70
|
2 |
|
usually ships 14-19 days |
8 |
183-0644
|
Retained stopper |
$46.81
|
1 |
|
usually ships 14-19 days |
9 |
183-0544
|
Hose clamp |
$5.12
|
1 |
|
usually ships 14-19 days |
10 |
183-4354
|
Drain hose retaining bracket |
$14.48
|
1 |
|
usually ships 1-5 days |
11 |
183-9604
|
Nut 1/4-20 acorn |
$1.30
|
2 |
|
usually ships 14-19 days |
12 |
183-3099
|
Tube plug |
$4.42
|
2 |
|
usually ships 14-19 days |
13 |
183-0007
|
Tank handle |
$84.43
|
1 |
|
usually ships 14-19 days |
14 |
183-9606
|
21 gallon vacuum tank |
$431.99
|
1 |
|
usually ships 14-19 days |
15 |
183-9607
|
Axle weldment |
$96.37
|
1 |
|
usually ships 14-19 days |
16 |
183-8091
|
Caster wheel |
$33.99
|
2 |
|
usually ships 14-19 days |
17 |
183-9608
|
Tank drain hose (OBSOLETE) |
$78.41
|
1 |
|
usually ships 14-19 days |
18 |
183-0543
|
Nozzle |
$16.90
|
1 |
|
usually ships 14-19 days |
19 |
999-0187
|
Washer 1/2 flat plain finish |
$0.99
|
2 |
|
ships same day |
20 |
183-9610
|
Tank drain fitting assembly (OBSOLETE) |
Call for price
|
1 |
|
usually ships 14-19 days |
KIT1 |
183-3151
|
Attachment set |
$668.26
|
1 |
(includes Ka-f) |
usually ships 14-19 days |
Ka |
183-4613
|
Double curved wand |
$156.63
|
1 |
|
usually ships 14-19 days |
Kb |
183-7454
|
Vacuum hose w/ cuffs assembly |
$342.09
|
1 |
|
ships same day |
Kc |
183-8163
|
1 1/2 inch floor tool |
$188.22
|
1 |
|
usually ships 14-19 days |
Kd |
183-3149
|
Carpet floor tool |
$235.85
|
1 |
|
usually ships 14-19 days |
Ke |
183-8860
|
Hand tool |
$21.12
|
1 |
|
usually ships 14-19 days |
Kf |
183-8874
|
Aluminum hand tool |
$84.36
|
1 |
|
usually ships 14-19 days |
N/S |
183-9635
|
Filter |
Call for price
|
1 |
|
usually ships 14-19 days |