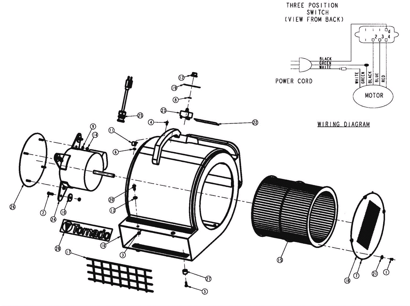
| # | Part | Description | Price | Req | Notes | Availability | 
|---|
          
            
            
                
                  
                  
                  
				       
				      1 | 999-1505 | Screw 8-32 x 3/8 flat head phillips stainless steel | $0.99 | 4 |  | ships same day | 2 | 999-0866 | Screw 1/4-20 x 7/8 round head slotted zinc plated | $0.99 | 4 |  | ships same day | 3 | 999-0152 | Nut 1/4-20 nylon insert lock zinc plated | $0.99 | 6 |  | ships same day | 4 | 999-1174 | Screw 10-24 x 7/16 pan head phillips zinc plated | $0.99 | 1 |  | ships same day | 5 | 999-1028 | Screw 10-24 x 3/4 truss head phillips stainless steel | $1.69 | 8 |  | ships same day | 6 | 999-1068 | Nut 10-24 hex reversible lock zinc plated | $0.99 | 1 |  | ships same day | 7 | 183-4320 | Brush card pad | $1.54 | 2 |  | usually ships 14-19 days | 8 | N/A | Not available | Call for price | 1 | (obsolete) | usually ships 3-26 days | 9 | 999-0998 | Washer #10 flat stainless steel | $0.99 | 4 |  | ships same day | 10 | 999-0016 | Washer 1/4 flat plain finish | $0.99 | 4 |  | ships same day | 11 | 183-0840 | Cable clamp 5/8 | $1.54 | 1 |  | usually ships 1-5 days | 12 | 190-0258 | Switch knob | $3.95 | 1 |  | ships same day | 13 | 183-8146 | Washer 1/4 plain | $0.80 | 2 |  | ships same day | 14 | 999-0442 | Nut 10-24 nylon insert lock stainless steel | $1.76 | 8 |  | ships same day | 15 | 190-0237 | Squirrel cage with lock nut | $72.59 | 1 |  | ships same day | 16a | 183-9058 | Housing | $118.88 | 1 |  | usually ships 14-19 days | 16b | N/A | Not available | Call for price | 1 | (obsolete) | usually ships 3-26 days | 17 | 183-9052 | Grill exhaust | $12.67 | 1 |  | usually ships 14-19 days | 18 | 183-9053 | Screen intake (OBSOLETE) | $22.45 | 1 |  | usually ships 14-19 days | 19 | 183-9054 | Switch decal (Obsolete) | $5.15 | 1 |  | usually ships 14-19 days | 20 | 999-0509 | Screw 1/4-20 x 3/8 pan head phillips zinc plated | $0.99 | 2 |  | ships same day | 21 | 190-0630 | Washer | $3.95 | 4 |  | usually ships 14-18 days | 22 | 183-9055 | Warning decal | $1.98 | 1 |  | usually ships 14-19 days | 23 | 183-7483 | 3 speed rotary switch | $15.39 | 1 |  | ships same day | 25 | 183-0563 | 16/3 power cord 20 foot | $72.59 | 1 |  | usually ships 14-19 days | 26 | 183-9057 | Intake screen | $14.77 | 1 |  | usually ships 14-19 days | 27 | 183-7498 | Rubber foot (OBSOLETE) | $1.08 | 4 |  | usually ships 14-19 days | 28 | 183-0829 | Logo decal | $3.52 | 1 |  | usually ships 1-5 days | 29 | 183-0622 | 7 Inch white wire tie | $1.54 | 2 |  | usually ships 1-5 days |