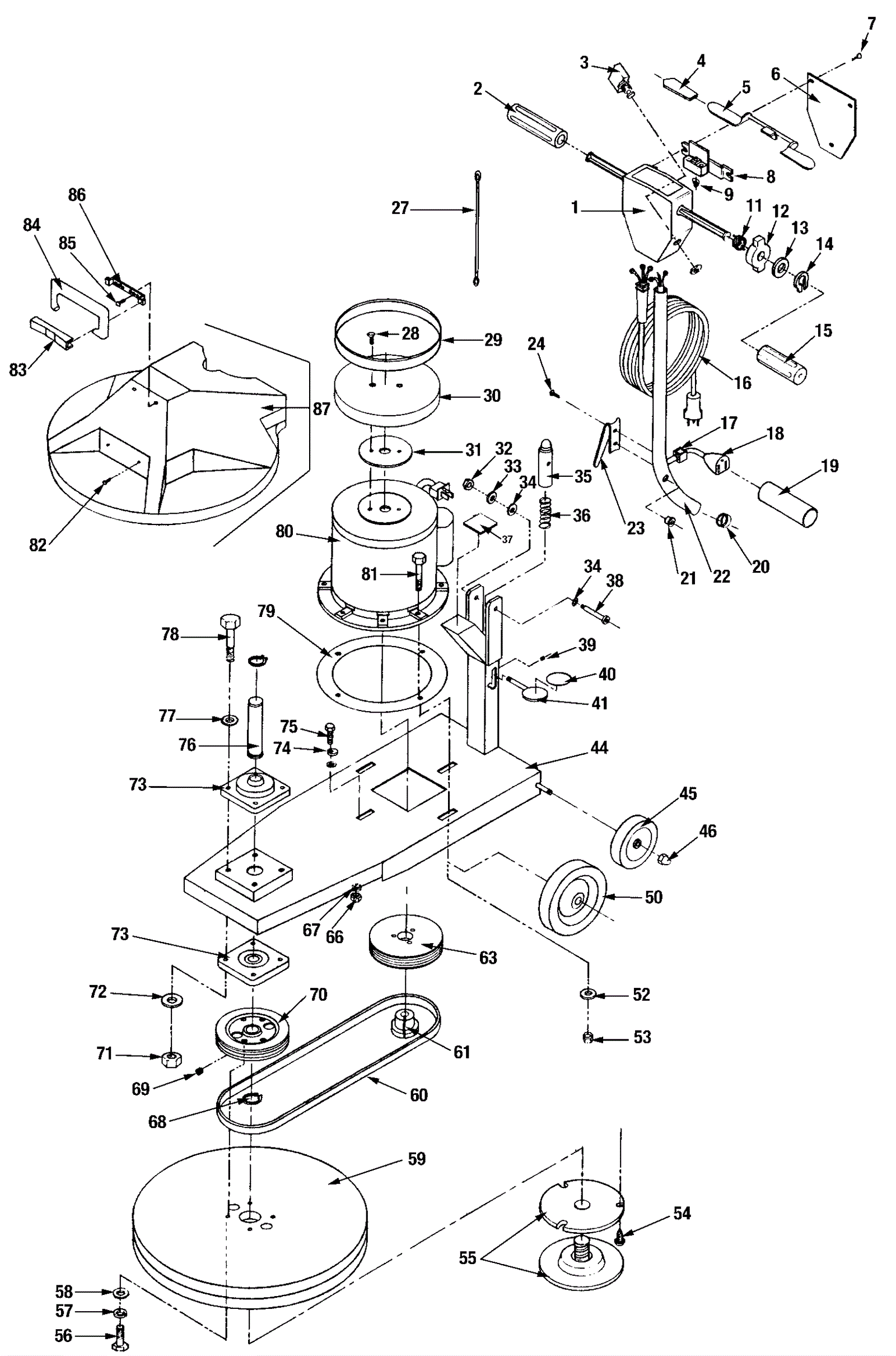
Wiring Diagram Series K
Click to enlarge