| # | Part | Description | Price | Req | Notes | Availability |
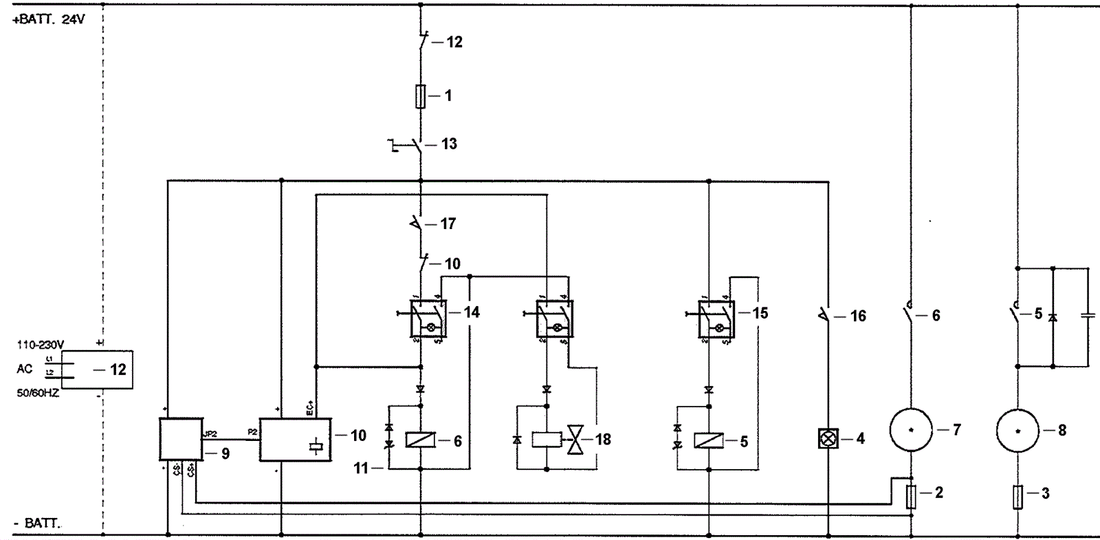
1 |
183-8376
|
3amp Fuse |
$1.54
|
1 |
|
usually ships 14-19 days |
2 |
183-2168
|
50amp maxifuse |
$4.62
|
1 |
|
usually ships 14-19 days |
3 |
183-8377
|
30amp Fuse |
$4.40
|
1 |
|
ships same day |
4 |
183-9362
|
Protected signal lamp (red) |
$7.78
|
1 |
|
usually ships 14-19 days |
5 |
183-4693
|
Relay |
$53.23
|
2 |
|
usually ships 14-19 days |
6 |
183-4693
|
Relay |
$53.23
|
2 |
|
usually ships 14-19 days |
7 |
183-9637
|
24V 770W brush motor |
$1,417.52
|
1 |
|
usually ships 14-19 days |
8a |
183-2333
|
24V 3 stage vacuum motor with connector |
$736.35
|
1 |
|
usually ships 14-19 days |
8b |
991-9166
|
24V 3 stage vacuum motor with red plugs |
$276.75
|
1 |
(NON-OEM) |
usually ships 18-24 days |
9 |
183-8379
|
Motor check card |
$70.43
|
1 |
|
usually ships 14-19 days |
10 |
183-9022
|
Battery check card |
$238.03
|
2 |
|
ships same day |
11 |
183-8356
|
Battery display |
$41.62
|
1 |
|
usually ships 14-19 days |
12 |
183-9524
|
Battery charger with cable |
$1,100.00
|
2 |
|
usually ships 14-19 days |
13 |
183-4695
|
Key switch |
$86.98
|
1 |
|
usually ships 14-19 days |
14 |
183-4697
|
Protected switch (green) |
$13.76
|
1 |
|
ships same day |
15 |
183-4697
|
Protected switch (green) |
$13.76
|
1 |
|
ships same day |
16 |
183-9170
|
10amp microswitch |
$10.86
|
1 |
|
usually ships 14-19 days |
17 |
183-4712
|
10amp microswitch |
$12.82
|
1 |
|
usually ships 14-19 days |
18 |
183-0896
|
1/2 inch 24V solenoid valve |
$141.59
|
1 |
|
usually ships 14-19 days |