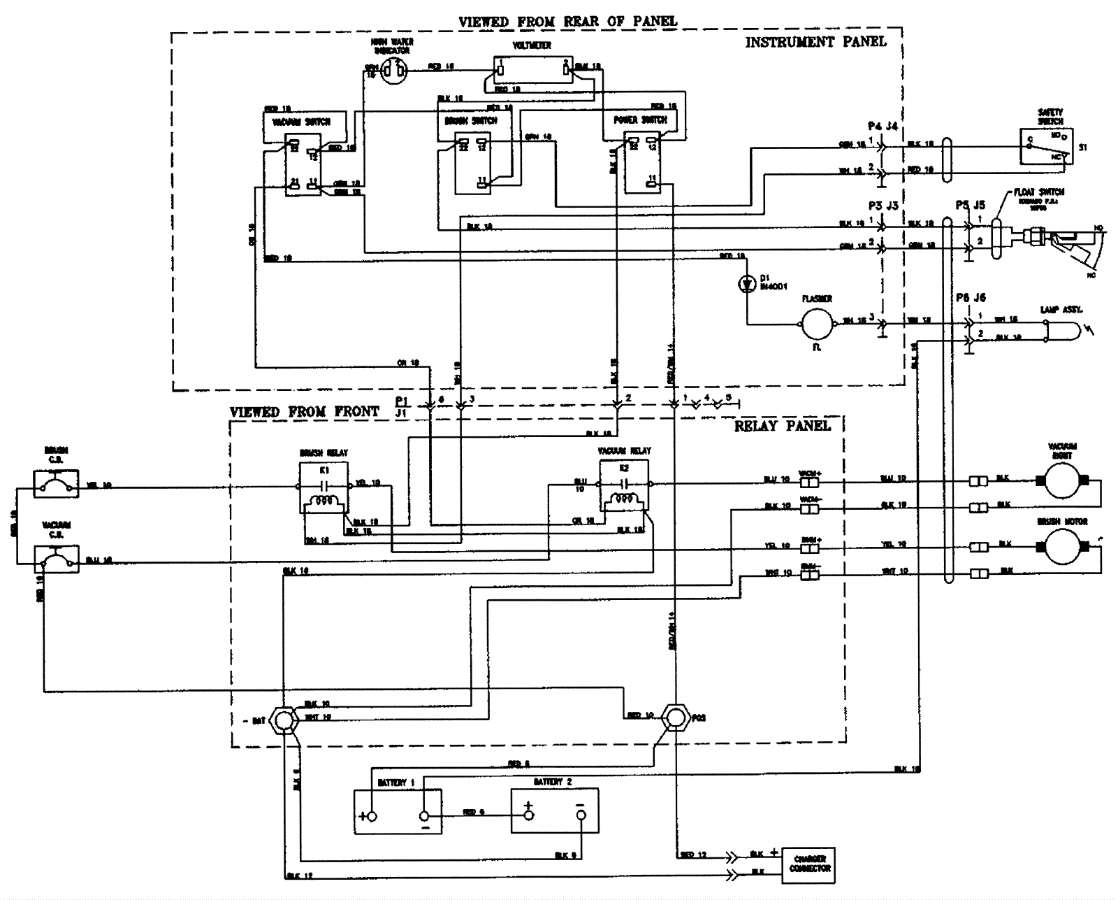
Control Wiring
Click to enlarge