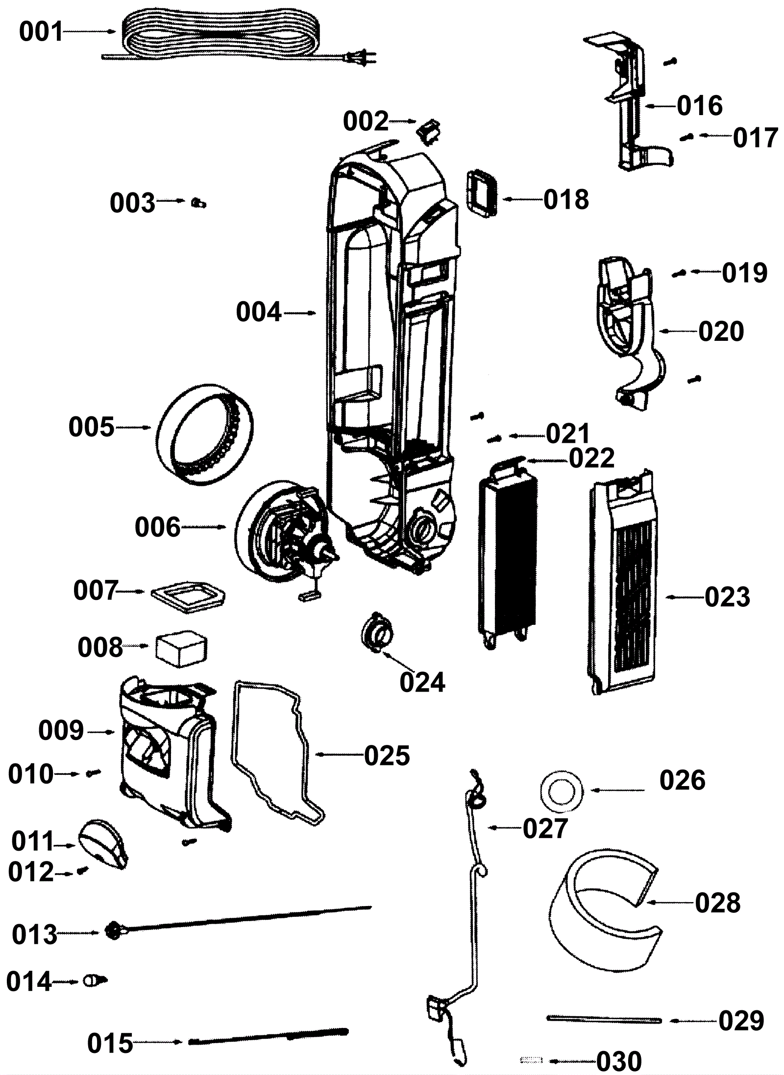
Lower Handle Assembly
Click to enlarge
#
Part
Description
Price
Req
Notes
Availability
002
182-0722
Rocker switch
$5.53
1
usually ships 1-5 days