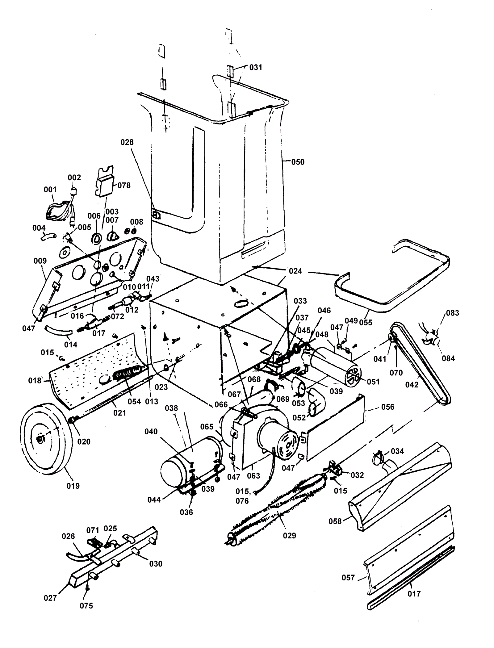
Lower Chassis Assembly
Click to enlarge