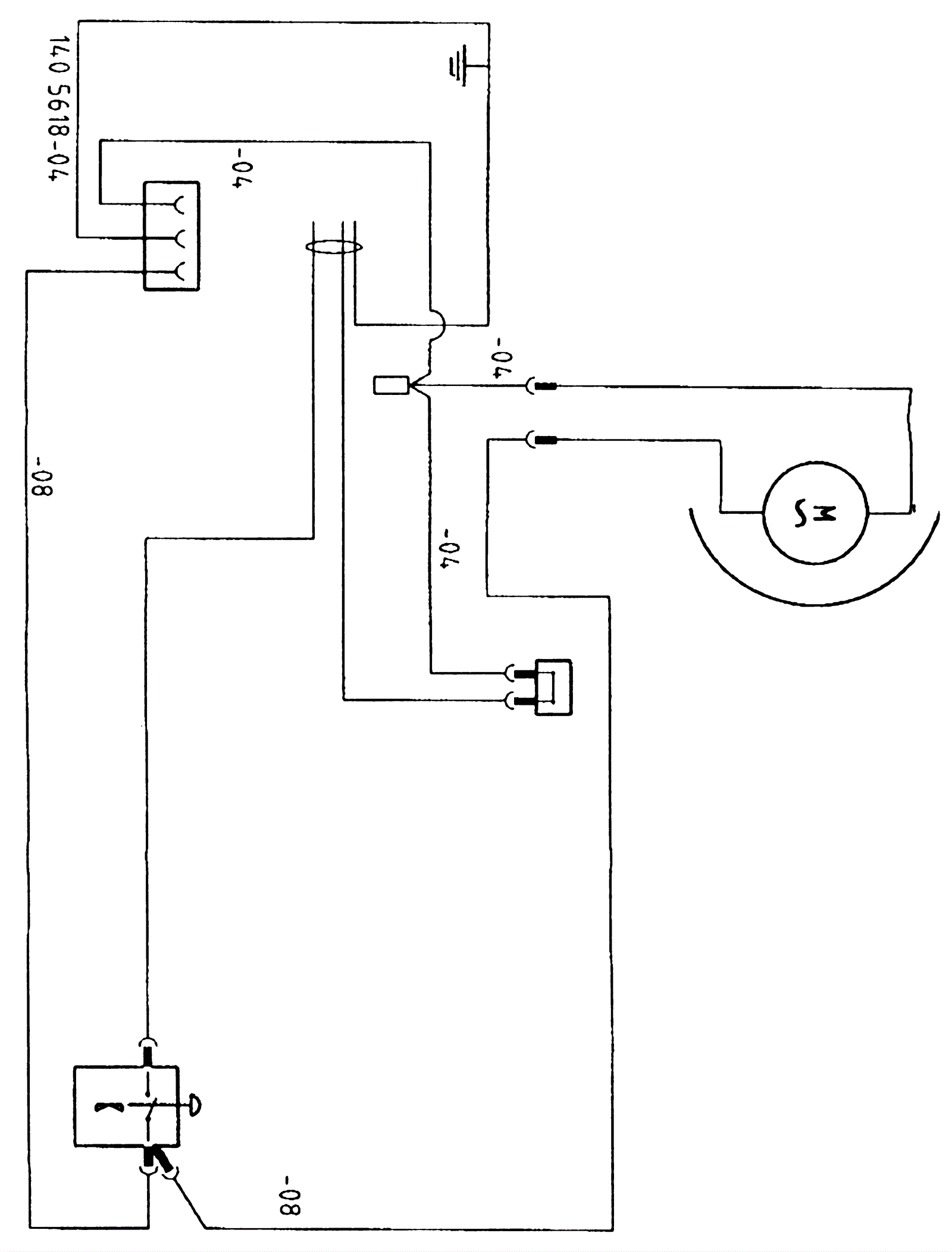
Wiring Diagram Grounded with Power Outlet
Click to enlarge