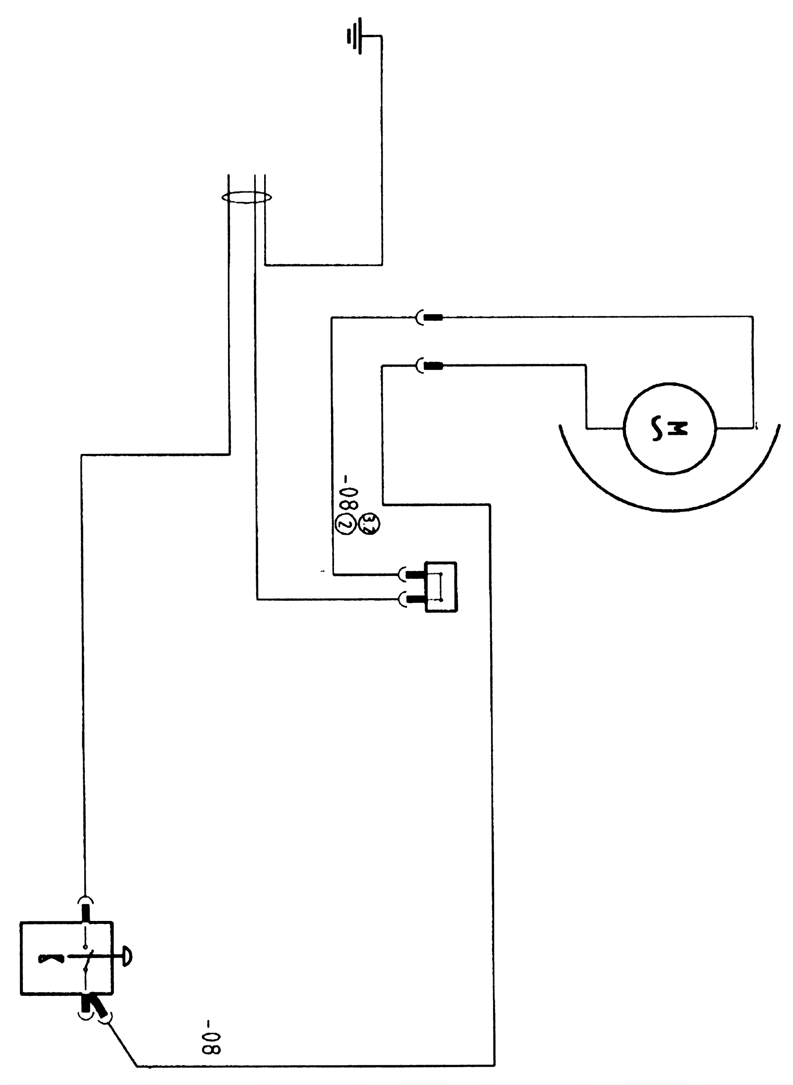
Wiring Diagram Grounded without Power Outlet
Click to enlarge