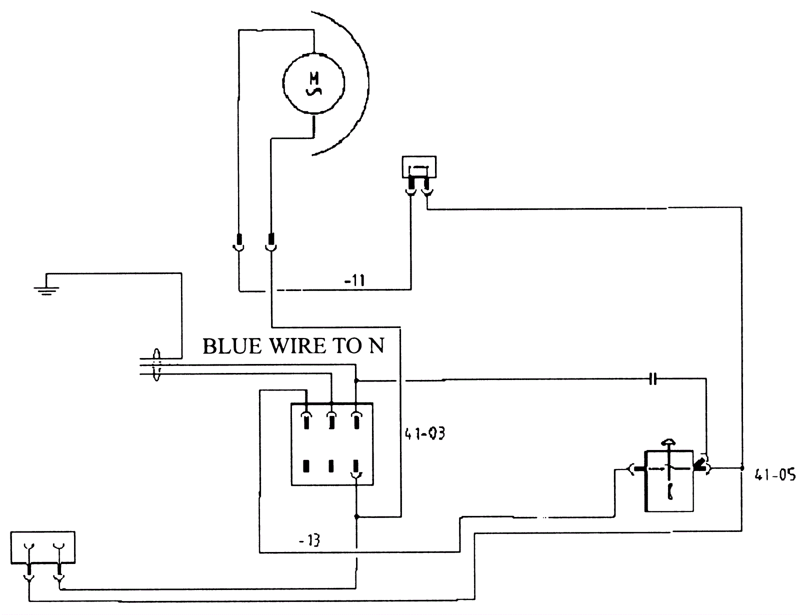
Wiring Diagram Grounded
Click to enlarge