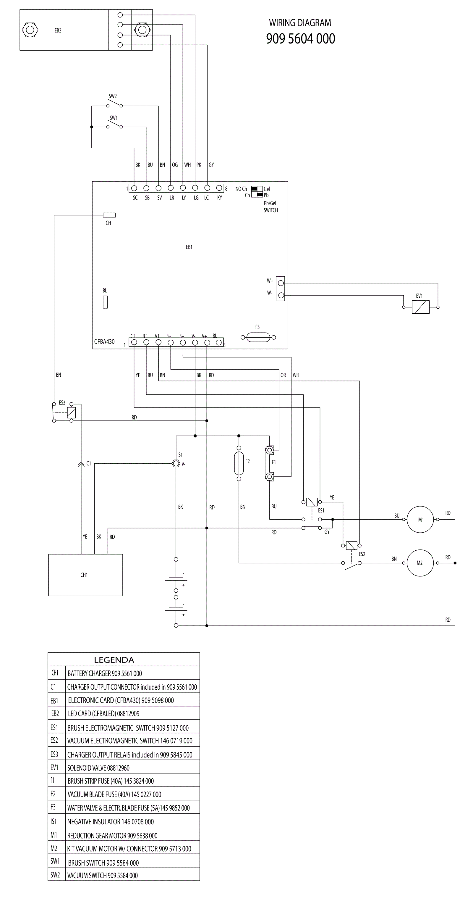
Wiring Diagram - Before SN 072820310
Click to enlarge