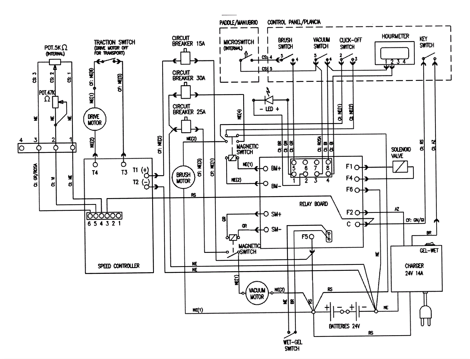
Wiring Assembly With Drive
Click to enlarge