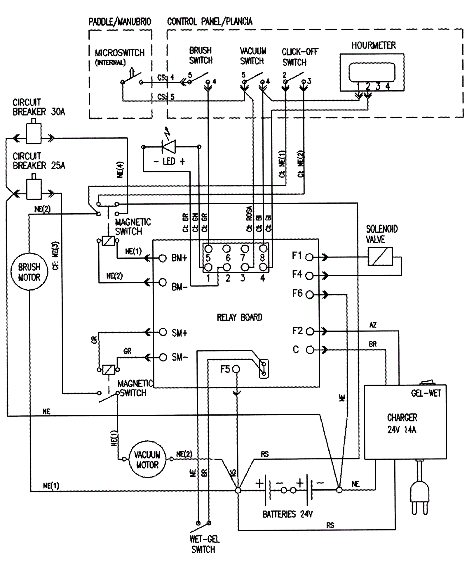
Wiring Diagram - Non-Drive Models
Click to enlarge