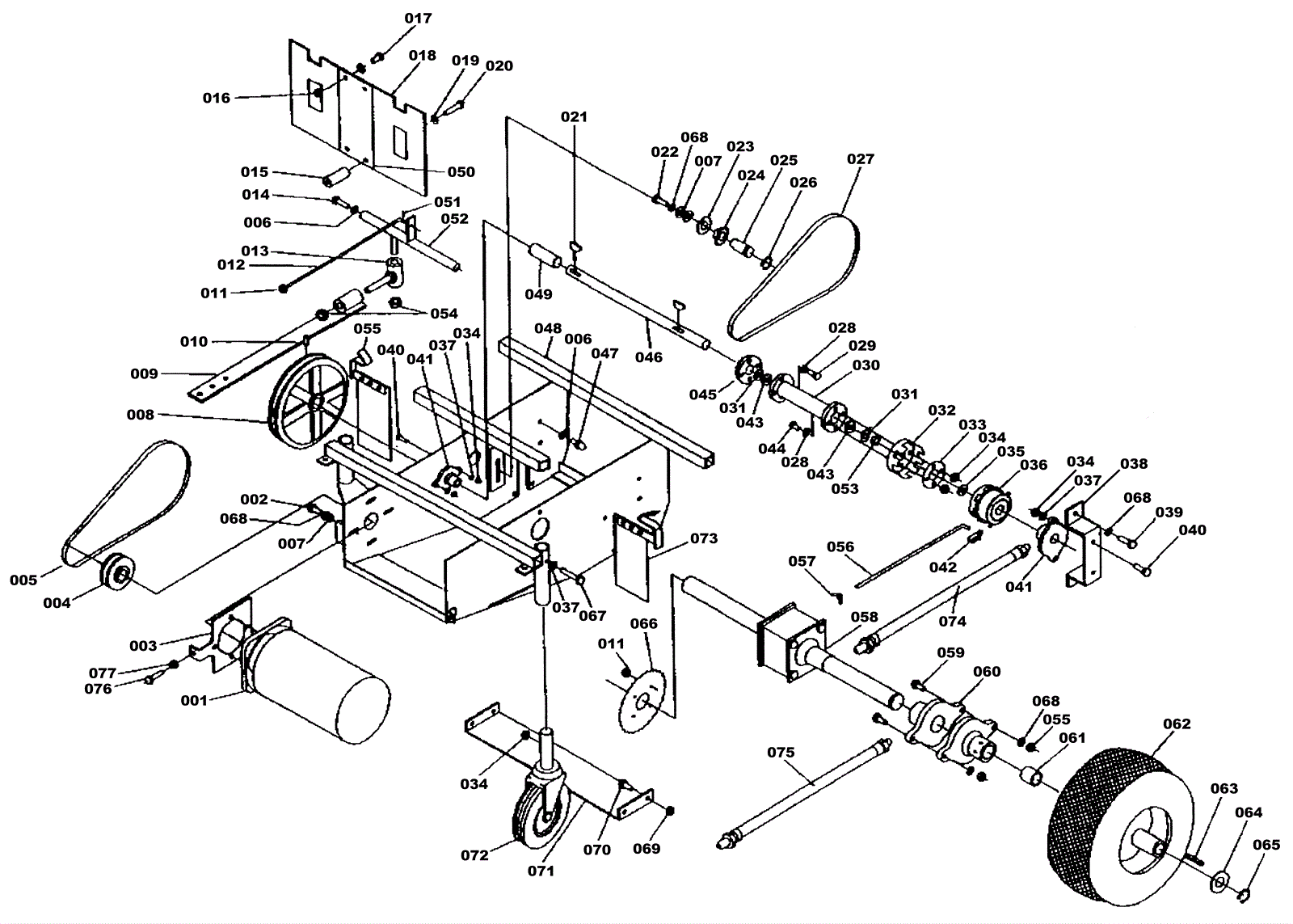
Lower Chassis
Click to enlarge