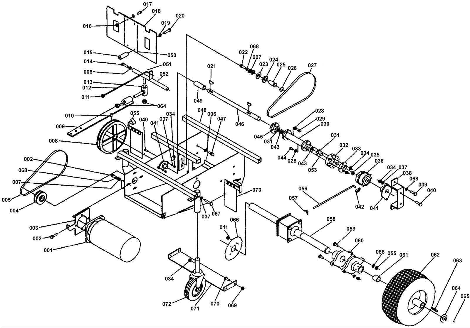
KA326B
Lower Base Assembly
Click to enlarge
#
Part
Description
Price
Req
Notes
Availability
013
181-0564
Caster wheel (OBSOLETE)
$158.40
usually ships 1-5 days
048
272-0886
Performance drive wheel (OBSOLETE)
$236.61
usually ships 13-18 days