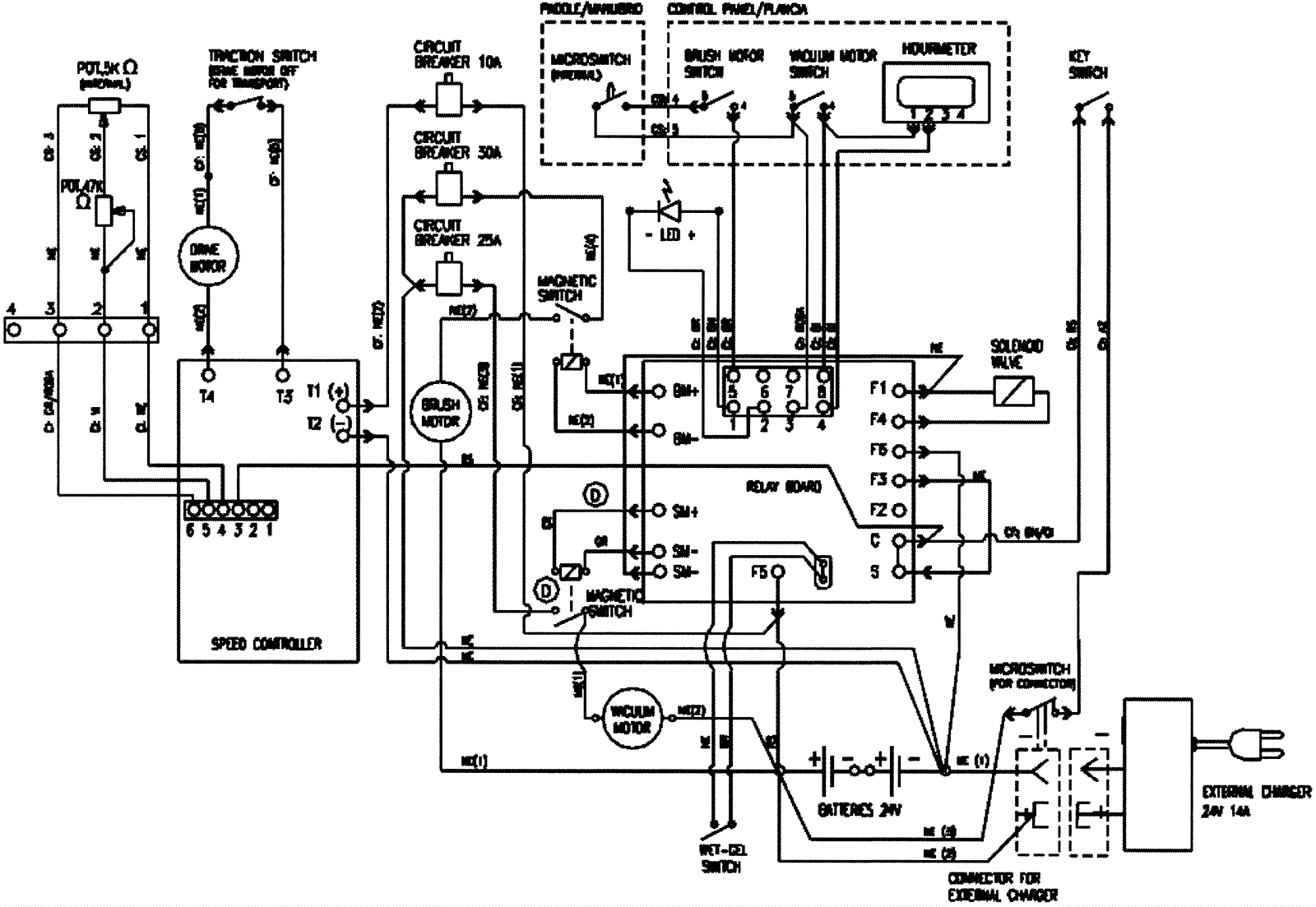
Wiring Diagram after SN 1559947 1 of 2
Click to enlarge