BA5321-D
Wiring Diagram before SN 1514570 2 of 2
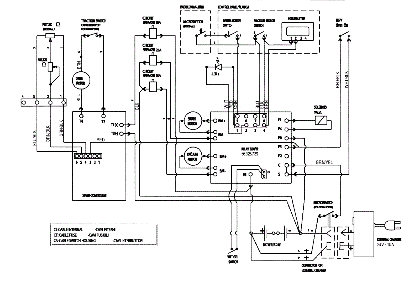
Click to enlarge
#
Part
Description
Price
Req
Notes
Availability
0.9835
172-1857
Micro switch (OBSOLETE)
Call for price
usually ships 13-16 days