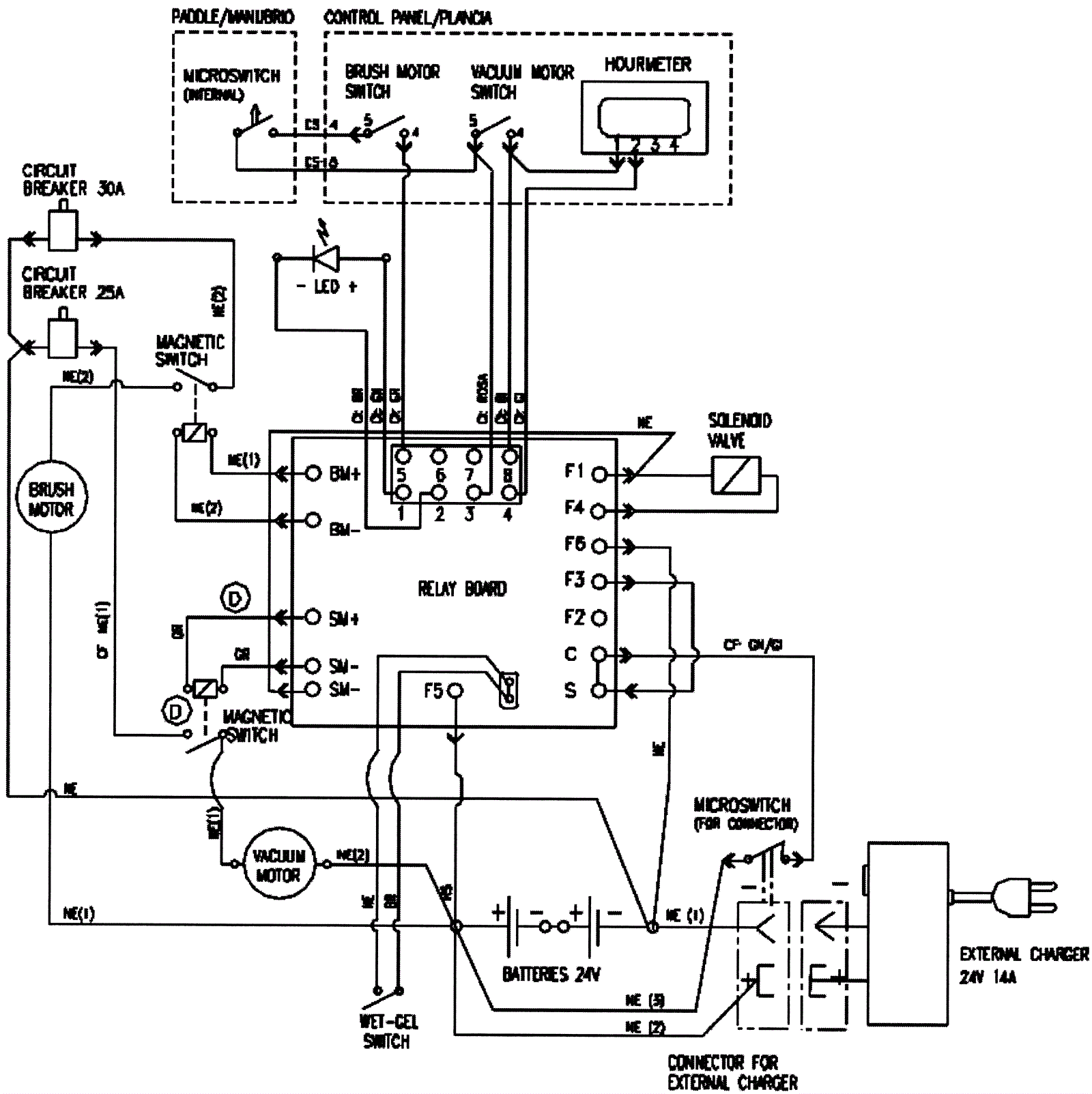
Wiring Diagram after SN 1514570 2 of 2
Click to enlarge