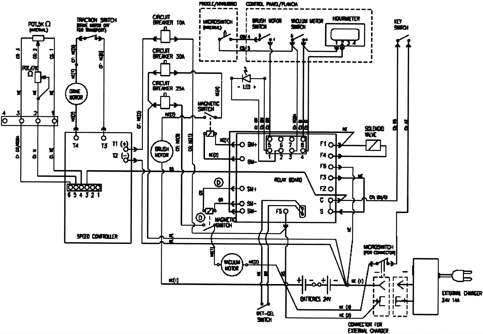
Wiring Diagram after SN 1514570 1 of 2
Click to enlarge