| # | Part | Description | Price | Req | Notes | Availability |
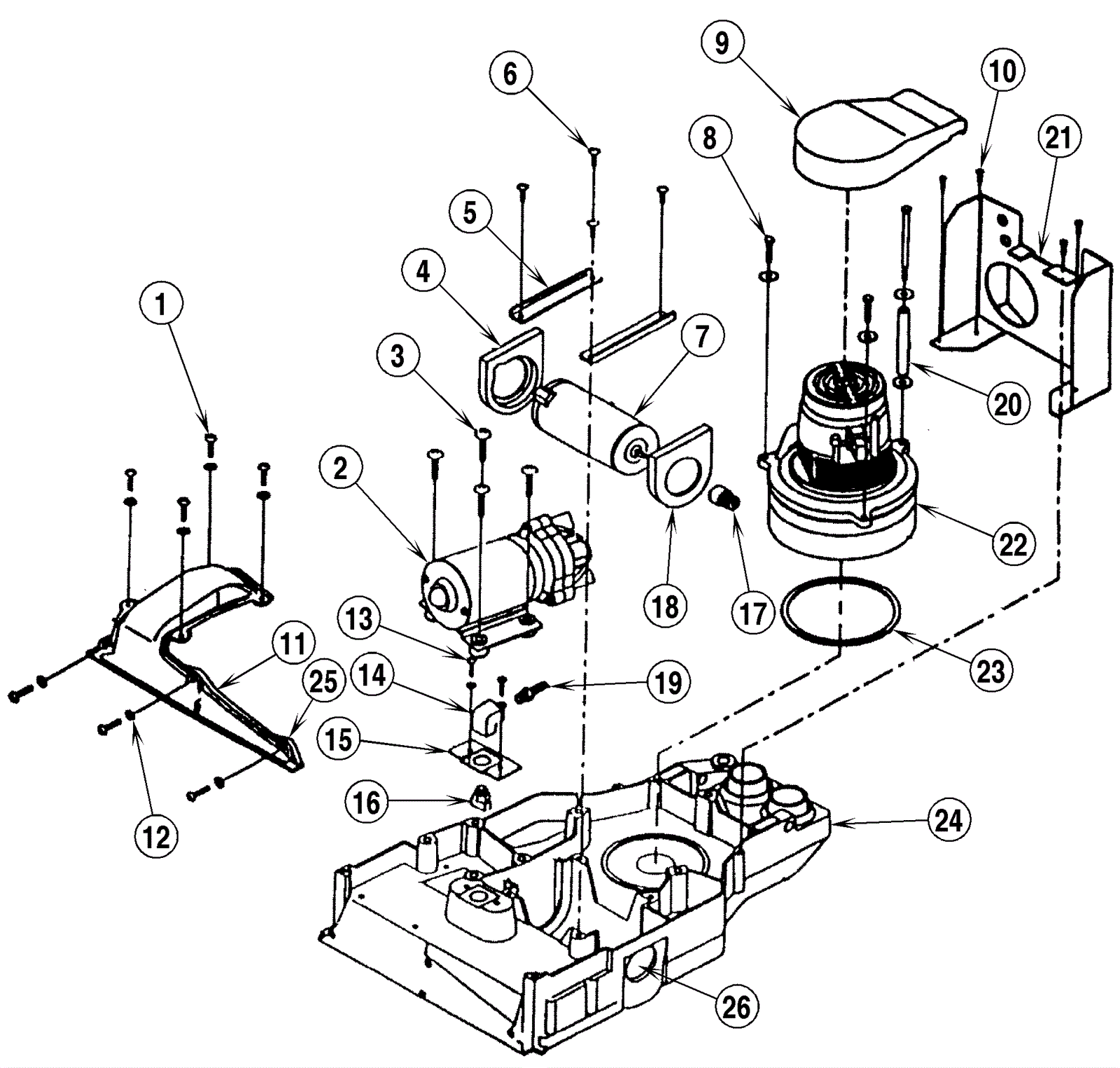
1 |
181-1550
|
Screw -32 x 5/8 truss head stainless steel (OBSOLETE) |
$6.29
|
7 |
|
usually ships 1-5 days |
2a |
181-1588
|
Pump w/bypass (OBSOLETE) |
$484.11
|
1 |
|
usually ships 1-5 days |
2b |
181-2021
|
Pump with wire connectors (OBSOLETE) |
Call for price
|
1 |
|
usually ships 13-18 days |
3 |
999-0599
|
Screw 1/4-20 x 1 3/4 pan head phillips stainless steel |
$1.21
|
4 |
|
ships same day |
4 |
N/A
|
Not available |
Call for price
|
1 |
(Motor mount) |
usually ships 3-26 days |
5 |
181-1591
|
Brush motor clamp (OBSOLETE) |
$21.14
|
2 |
|
usually ships 1-5 days |
6 |
181-1550
|
Screw -32 x 5/8 truss head stainless steel (OBSOLETE) |
$6.29
|
4 |
|
usually ships 1-5 days |
7 |
181-1592
|
Brush motor (OBSOLETE) |
$346.30
|
1 |
|
usually ships 1-5 days |
8 |
181-1593
|
Bolt assembly (OBSOLETE) |
$5.94
|
2 |
|
usually ships 1-5 days |
9 |
181-1594
|
Intercooler (OBSOLETE) |
$47.52
|
1 |
|
usually ships 1-5 days |
10 |
181-1582
|
Screw 8-16 x 1 plastite pan head (OBSOLETE) |
$6.29
|
4 |
|
usually ships 1-5 days |
11a |
181-1595
|
Suction cover (OBSOLETE) |
$210.28
|
1 |
|
usually ships 1-5 days |
11b |
181-1596
|
Suction cover w/gasket (OBSOLETE) |
$178.20
|
1 |
|
usually ships 1-5 days |
12 |
181-1597
|
Backup washer (OBSOLETE) |
$5.94
|
7 |
|
usually ships 1-5 days |
13 |
999-0916
|
Screw 8-32 x 1/2 pan head phillips stainless steel |
$0.99
|
2 |
|
ships same day |
14 |
181-1598
|
Brass elbow (OBSOLETE) |
$5.94
|
1 |
|
usually ships 1-5 days |
15 |
181-1599
|
Spray nozzle bracket (OBSOLETE) |
$24.95
|
1 |
|
usually ships 1-5 days |
16 |
181-1600
|
Spray nozzle (OBSOLETE) |
$24.95
|
1 |
|
usually ships 1-5 days |
17a |
181-1601
|
Pulley (OBSOLETE) |
$23.64
|
1 |
(if ordering this part you will also need to
order 17b) |
usually ships 1-5 days |
17b |
181-2024
|
Screw (OBSOLETE) |
Call for price
|
7 |
|
usually ships 13-18 days |
18 |
181-1602
|
Front motor mount (OBSOLETE) |
$8.44
|
1 |
|
usually ships 1-5 days |
19 |
181-1603
|
Brass barb (OBSOLETE) |
$15.80
|
1 |
|
usually ships 1-5 days |
20 |
181-1604
|
Bolt assembly (OBSOLETE) |
$5.94
|
1 |
|
usually ships 1-5 days |
21 |
181-1605
|
Backplate (OBSOLETE) |
$105.73
|
1 |
|
usually ships 1-5 days |
22 |
181-1606
|
Vacuum motor (OBSOLETE) |
$580.93
|
1 |
|
usually ships 1-5 days |
23 |
181-1607
|
Vacuum motor gasket (OBSOLETE) |
$30.89
|
1 |
|
usually ships 1-5 days |
24a |
181-2023
|
Chassis (OBSOLETE) |
Call for price
|
1 |
(Before January 1999) |
usually ships 13-18 days |
24b |
181-1608
|
Chassis (OBSOLETE) |
$521.53
|
1 |
(After December 1998) |
usually ships 1-5 days |
25 |
181-1609
|
Lens gasket (OBSOLETE) |
$27.92
|
4 |
|
usually ships 1-5 days |
26 |
181-1610
|
Valve ball (OBSOLETE) |
$253.64
|
1 |
|
usually ships 1-5 days |