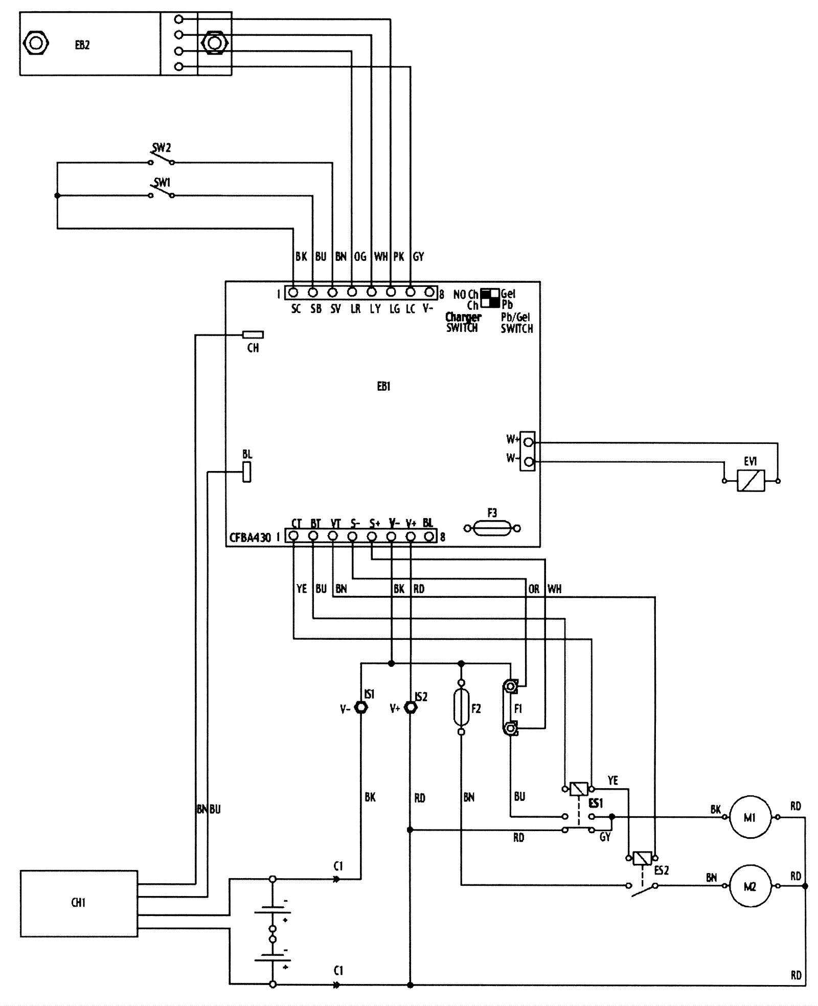
| # | Part | Description | Price | Req | Notes | Availability |
C1 |
991-2102
|
50amp charger plug SB50 only (red) |
$16.27
|
|
|
usually ships 18-24 days |
CH1 |
181-0956
|
24V onboard battery charger (OBSOLETE) |
$1,650.00
|
|
|
usually ships 13-18 days |
EB1 |
181-0957
|
Electronic card |
$249.19
|
|
|
ships same day |
EB2 |
272-5469
|
LED card |
$65.07
|
|
|
usually ships 13-18 days |
ES1 |
181-0970
|
Contactor (OBSOLETE) |
$312.82
|
|
|
usually ships 13-18 days |
ES2 |
181-0965
|
Contactor |
$151.33
|
|
|
usually ships 13-18 days |
EV1 |
N/A
|
Not available |
Call for price
|
|
Ball grip |
usually ships 3-26 days |
F1 |
181-0964
|
50amp fuse |
$14.41
|
|
|
usually ships 13-18 days |
F2 |
181-0963
|
40amp fuse |
$12.89
|
|
|
usually ships 13-18 days |
F3 |
181-0962
|
5 amp fuse |
$5.50
|
|
|
usually ships 13-18 days |
IS1 |
272-9579
|
Insulator |
$20.91
|
|
|
usually ships 13-18 days |
IS2 |
N/A
|
Not available |
Call for price
|
|
(not available) Positive insulator |
usually ships 3-26 days |
M1 |
272-2571
|
Brush gear motor assembly |
$2,618.28
|
|
|
usually ships 13-18 days |
M2 |
181-0895
|
24V 3 stage vacuum motor kit with connector |
$429.00
|
|
|
usually ships 1-5 days |
SW1 |
N/A
|
Not available |
Call for price
|
|
(not available) Brush motor |
usually ships 3-26 days |