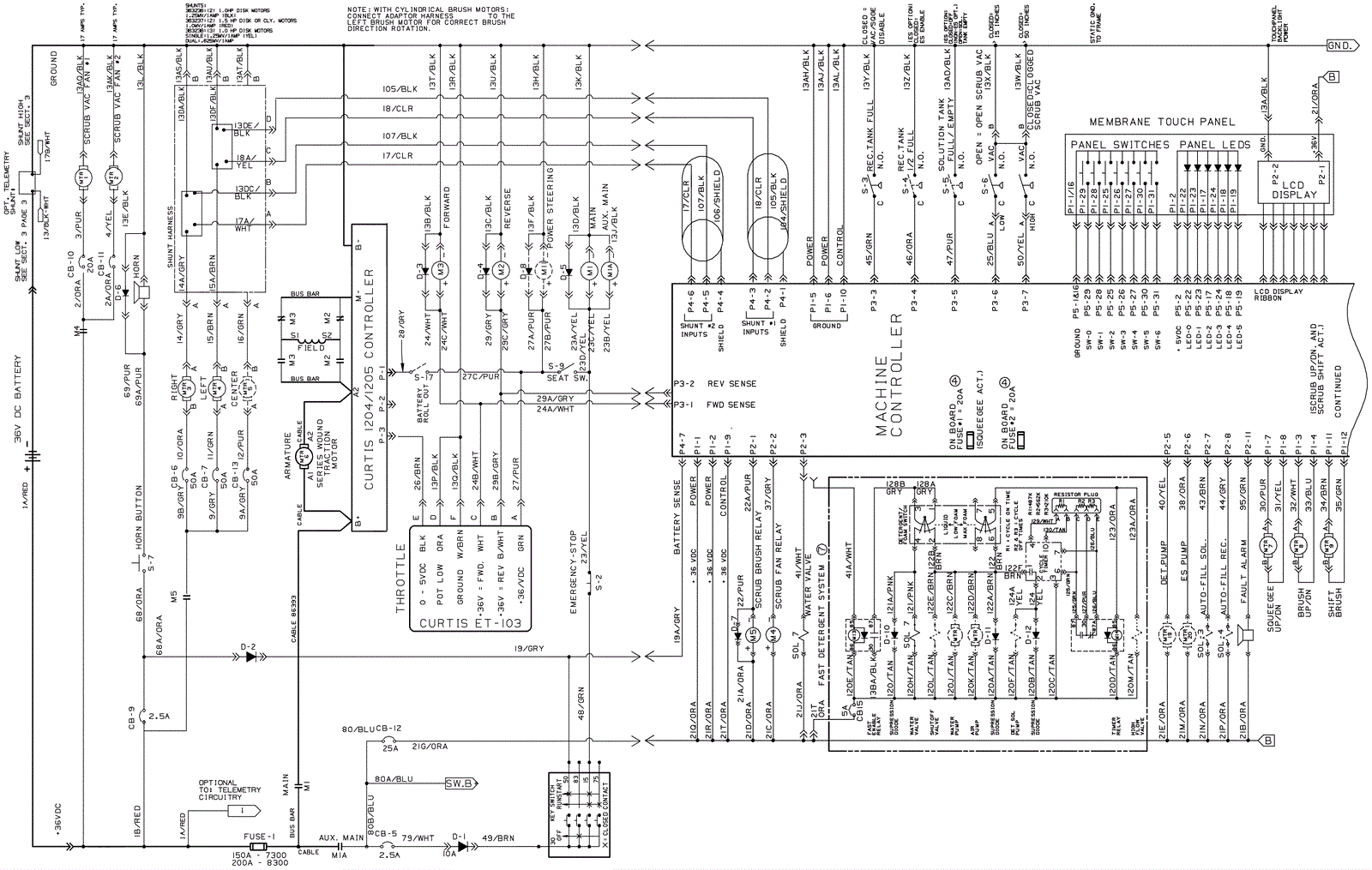
Electrical Schematic 1 - After SN 003746
Click to enlarge