| # | Part | Description | Price | Req | Notes | Availability |
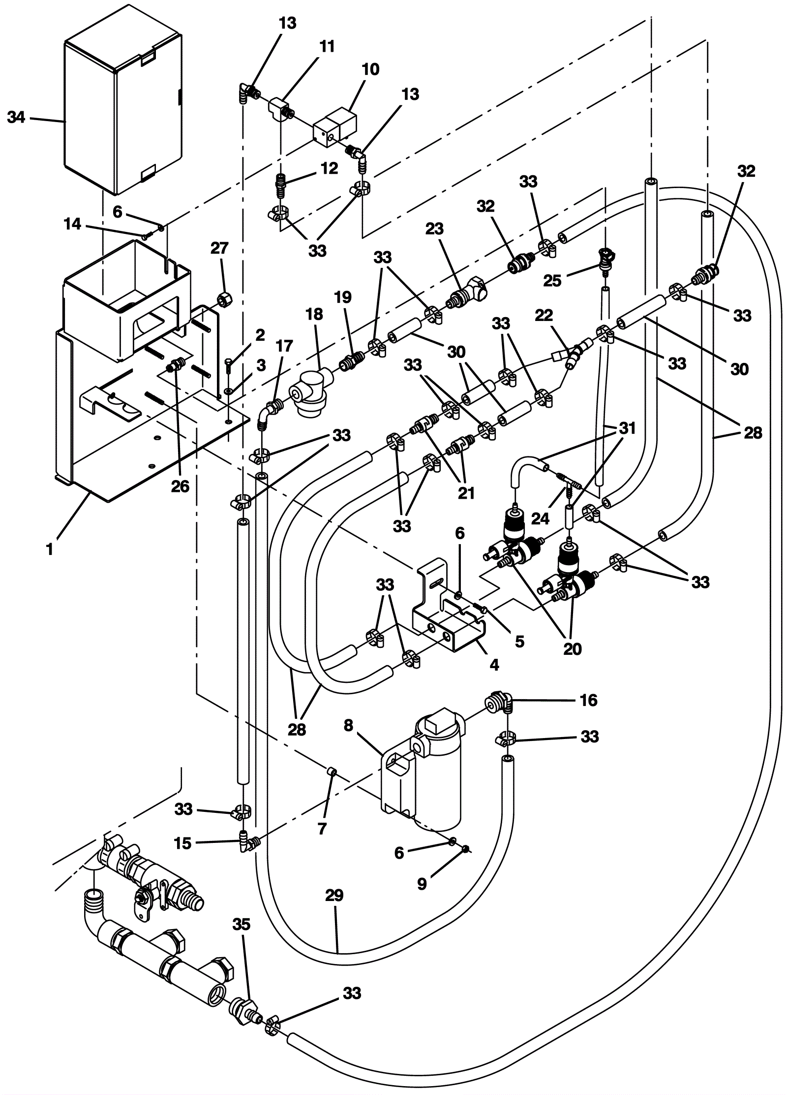
1 |
275-9299
|
Bracket weldment (Tennant Industrial) |
$155.14
|
1 |
|
usually ships 1-5 days |
2 |
999-0783
|
Screw M8-1.25 x 16mm hex head |
$0.99
|
3 |
|
ships same day |
3 |
999-0024
|
Washer 5/16 flat stainless steel |
$1.34
|
3 |
|
ships same day |
4 |
275-9300
|
Mounting bracket (Tennant Industrial) |
$27.89
|
1 |
|
usually ships 1-5 days |
5 |
999-0507
|
Bolt M6-1 x 16mm hex head full thread plain finish |
$0.99
|
1 |
|
ships same day |
6 |
999-0998
|
Washer #10 flat stainless steel |
$0.99
|
7 |
|
ships same day |
7 |
175-0550
|
Sleeve |
$5.02
|
4 |
|
ships same day |
8 |
275-9301
|
PUMP, SOLTN, 36VDC, 65PSI [FaST II+] (Tennant Industrial) |
$1,335.60
|
1 |
|
usually ships 1-5 days |
9 |
175-2894
|
Nut M5-.8 hex nylon locking |
$3.30
|
4 |
|
usually ships 10-13 days |
10 |
275-9293
|
VALVE, WATER, SOLENOID, 36VDC 6.0MM PF04 (Tennant Industria |
$456.90
|
1 |
|
usually ships 1-5 days |
11 |
175-6029
|
Straight tee |
$15.07
|
1 |
|
ships same day |
12 |
175-7218
|
Plastic straight fitting |
$5.28
|
1 |
|
ships same day |
13 |
175-6926
|
Plastic elbow fitting |
$7.37
|
2 |
|
usually ships 10-13 days |
14 |
175-0852
|
Bolt 5mm-.8 x 12 hex head |
$5.28
|
2 |
|
usually ships 10-13 days |
15 |
275-9302
|
FITTING, NYL, QDC, E90, BM06/ QM10 (Tennant Industrial) |
$16.84
|
1 |
|
usually ships 1-5 days |
16 |
275-9303
|
FITTING, NYL, QDC, E90, BM08/ QM10 (Tennant Industrial) |
$18.67
|
1 |
|
usually ships 1-5 days |
17 |
175-5241
|
90 degree elbow |
$9.13
|
1 |
|
usually ships 10-13 days |
18a |
175-9025
|
In-line screen filter assembly |
$22.99
|
1 |
|
ships same day |
18b |
991-8582
|
Mesh inline filter |
$16.87
|
1 |
|
ships same day |
19 |
175-5234
|
Plastic fitting |
$6.49
|
1 |
|
usually ships 10-13 days |
20 |
275-7391
|
Injector assembly |
$248.49
|
2 |
|
usually ships 1-5 days |
21 |
275-9305
|
Check valve (Tennant Industrial) |
$58.18
|
2 |
|
usually ships 1-5 days |
22 |
175-5240
|
FITTING, PLSTC, Y, BM08/BM08/BM08, NYL (Tennant Industrial) |
$18.17
|
1 |
|
usually ships 10-13 days |
23 |
275-9306
|
HOUSING, CPLG, QF / PM08 (Tennant Industrial) |
$60.18
|
2 |
|
usually ships 1-5 days |
24 |
175-7303
|
1/4 inch union tee |
$11.11
|
1 |
|
usually ships 10-13 days |
25 |
175-5311
|
Female fitting with valve |
$60.72
|
1 |
|
usually ships 10-13 days |
26 |
175-5312
|
Male coupling strainer fitting |
$32.78
|
1 |
|
usually ships 10-13 days |
27 |
175-5313
|
Plastic cap fitting |
$5.28
|
1 |
|
usually ships 10-13 days |
28 |
275-1534
|
3 foot PVC hose (braided) (Tennant Industrial) |
$54.68
|
2 |
|
usually ships 10-13 days |
29 |
175-5229
|
HOSE, AFMKT, PVC, BRD, 0.50ID, 02FT, CLR (Tennant Industria |
$34.67
|
1 |
|
usually ships 1-5 days |
30 |
175-5249
|
Hose 1/2 x 1 foot (Tennant Industrial) |
$32.01
|
1 |
|
usually ships 10-13 days |
31 |
175-5306
|
HOSE, AFMKT, PVC, CLR, 0.25ID, 02FT (Tennant Industrial) |
$30.84
|
1 |
|
usually ships 10-13 days |
32 |
275-9307
|
INSERT, CPLG, QM, BM08 (Tennant Industrial) |
$55.01
|
2 |
|
usually ships 1-5 days |
33 |
175-6081
|
Hose clamp |
$4.84
|
22 |
|
ships same day |
34 |
N/A
|
Not available |
Call for price
|
1 |
Detergent - Go to Tennant direct |
usually ships 3-26 days |
35 |
175-2523
|
Plastic fitting |
$9.13
|
1 |
|
usually ships 10-13 days |
36 |
275-6587
|
Radiator (TENNANT INDUSTRIAL) |
$1,260.92
|
|
|
usually ships 1-5 days |
37 |
275-6393
|
Radiator cap (Tennant Industrial) |
$8.17
|
|
|
usually ships 10-13 days |
38 |
275-6392
|
Filter element (Tennant Industrial) |
$35.51
|
|
|
ships same day |
39 |
275-6616
|
Vac fan screen (TENNANT INDUSTRIAL) |
$361.07
|
|
|
usually ships 10-13 days |
40 |
375-3904
|
Vacuum head kit (Tennant Industrial) |
$11,544.48
|
|
|
usually ships 10-13 days |
41 |
275-3203
|
HEAD KIT, VACUUM, HEAD ONLY [ATLV 4300] (Tennant Industrial |
$4,360.04
|
|
|
usually ships 10-13 days |
42 |
375-1609
|
Vacuum wand kit (Tennant Industrial) |
$4,761.29
|
|
|
usually ships 10-13 days |
43 |
275-3081
|
HOSE, FLEX, VACUUM, 08.0D, 060.0L (Tennant Industrial) |
$581.28
|
|
|
usually ships 10-13 days |
44 |
275-3289
|
DUCT, INLET, FLTR (Tennant Industrial) |
$203.04
|
|
|
usually ships 10-13 days |
45 |
275-3281
|
PANEL, FLTR [IN A BOX] (Tennant Industrial) |
$1,075.22
|
|
|
usually ships 10-13 days |
46 |
275-3280
|
Filter kit latch |
$256.35
|
|
|
usually ships 10-13 days |
47 |
675-9193
|
ENGINE ASSY, DSL, 24.8HP [KU 2008] (Tennant Industrial) |
$18,695.57
|
|
|
usually ships 10-13 days |