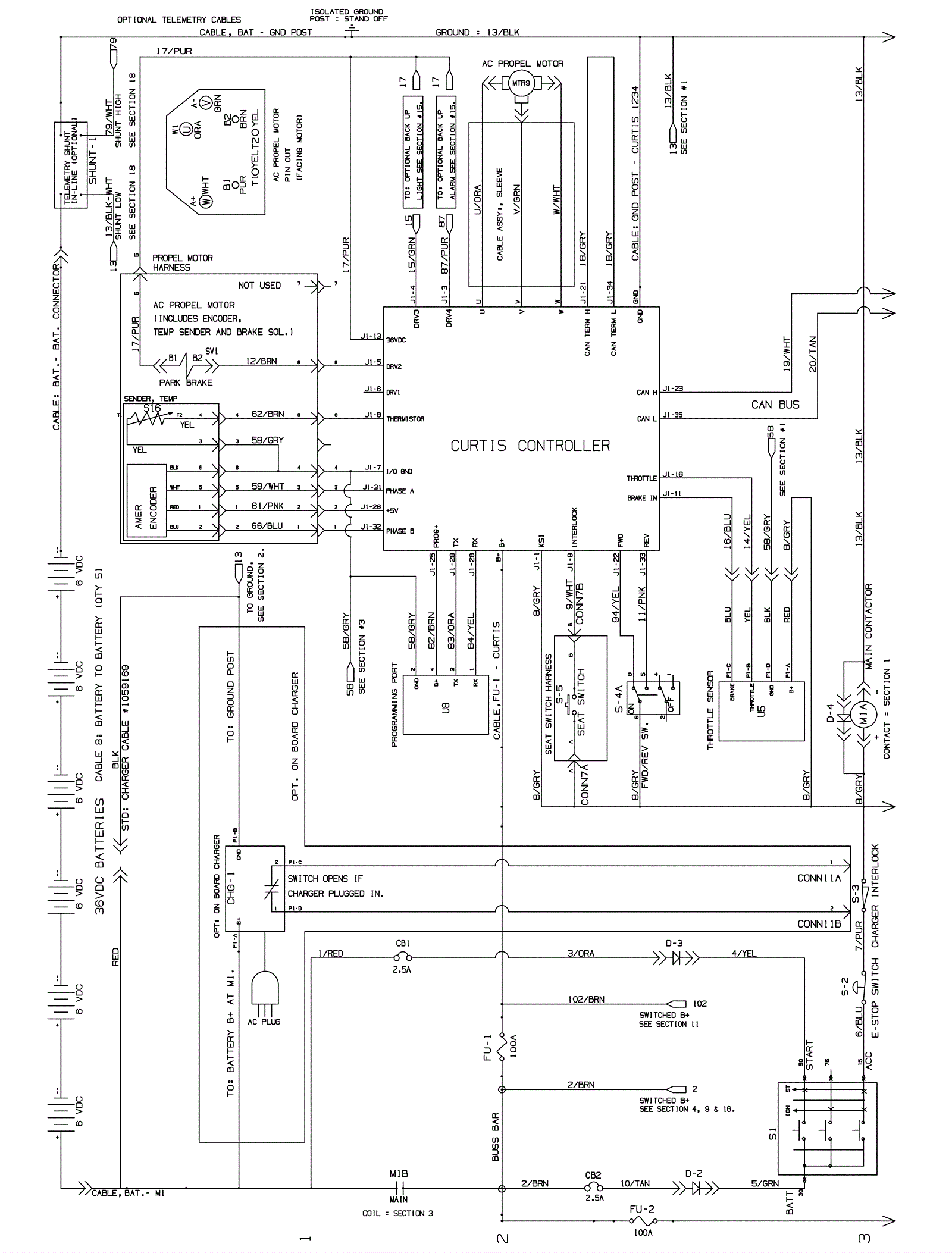
Electrical Schematic Before SN 026722 - Part 1
Click to enlarge