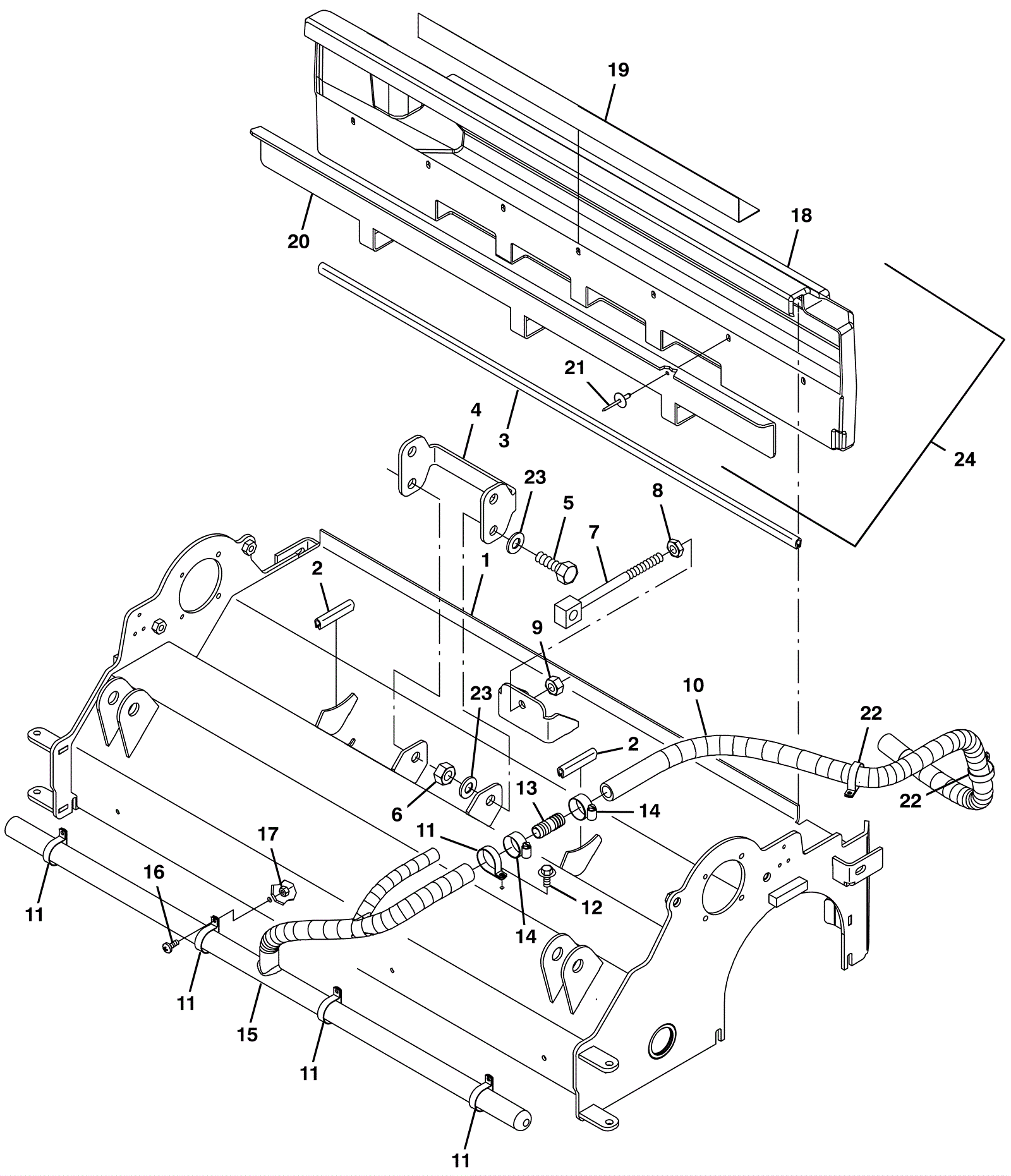
| # | Part | Description | Price | Req | Notes | Availability | 
|---|
          
            
            
                
                  
                  
                  
				       
				      1 | 275-1268 | Cylindrical scrub head weldment (Tennant Industrial) | $1,229.58 | 1 |  | usually ships 10-13 days | 2 | 275-8203 | Molding | $48.40 | 2 |  | usually ships 1-5 days | 3 | 275-1269 | 3 foot trim molding | $72.60 | 1 |  | usually ships 1-5 days | 4 | 275-1270 | Cylindrical head lift channel (Tennant Industrial) | $26.01 | 2 |  | usually ships 1-5 days | 5 | 175-9656 | Screw 12-1.75 x 40 hex head stainless steel | $7.37 | 1 |  | usually ships 1-5 days | 6 | 999-0519 | Nut M12-1.75 nylon insert lock stainless steel | $3.85 | 1 |  | ships same day | 7 | 275-1271 | Bolt M10-1.5 x 140mm eye (Tennant Industrial) | $48.34 | 1 |  | usually ships 10-13 days | 8 | 999-9133 | Nut M10-1.5 nut hex head stainless steel | $1.25 | 1 |  | usually ships 1-5 days | 9 | 999-1625 | Nut M10-1.5 hex jam stainless steel | $1.54 | 1 |  | ships same day | 10 | 275-1272 | 3 foot PVC wire hose (clear) (Tennant Industrial) | $42.34 | 1 |  | usually ships 10-13 days | 11 | 275-9567 | CLAMP, CABLE, SS, 1.12D X 0.38W, 1HOLE  (Tennant Industrial) | $13.34 | 4 |  | usually ships 1-5 days | 12 | 175-3298 | Bolt M6-1 x 12mm hex head | $4.49 | 3 |  | ships same day | 13 | 175-0750 | Fitting (Tennant Industrial) | $6.67 | 1 |  | usually ships 10-13 days | 14 | 175-0199 | Hose clamp | $7.15 | 2 |  | usually ships 10-13 days | 15 | 275-1273 | Spray bar manifold (Tennant Industrial) | $246.05 | 1 |  | usually ships 10-13 days | 16 | 999-1225 | Screw M5-.8 x 12mm pan head phillips zinc | $0.99 | 4 |  | ships same day | 17 | 999-0740 | Nut M5-.8 hex stainless steel | $0.99 | 4 |  | ships same day | 18 | 275-1274 | Debris hopper (Tennant Industrial) | $306.89 | 1 |  | usually ships 10-13 days | 19 | 275-1275 | Perforated steel angle (Tennant Industrial) | $48.01 | 1 |  | usually ships 10-13 days | 20 | 275-1276 | Debris tray lip (Tennant Industrial) | $60.35 | 1 |  | usually ships 10-13 days | 21 | 175-5936 | Pop rivet | $5.28 | 7 |  | usually ships 10-13 days | 22 | 175-9979 | Clamp (Tennant Industrial) | $8.17 | 2 |  | usually ships 1-5 days | 23 | 999-0114 | Washer 1/2 SAE flat | $0.99 | 4 |  | ships same day | 24 | 275-7347 | Debris tray kit (Tennant Industrial) | $494.60 | 1 | (includes 18-21) | usually ships 10-13 days |