| # | Part | Description | Price | Req | Notes | Availability | 
|---|
          
            
            
                
                  
                  
                  
				       
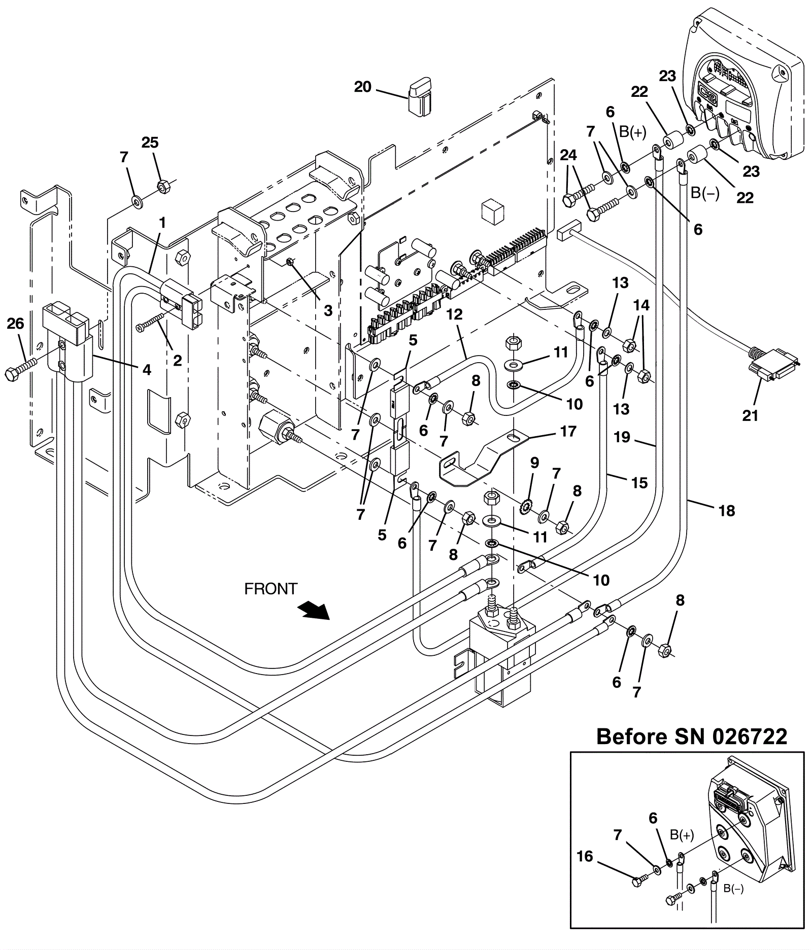
				      1 | 275-7750 | Cable assembly (Tennant Industrial) | $60.85 | 1 |  | usually ships 10-13 days | 2 | 275-8223 | SCREW, PAN, PHL, 06-32 X 1.00, G1  (Tennant Industrial) | $4.00 | 2 |  | usually ships 10-13 days | 3 | 175-3224 | Nut 6-32 hex lock | $4.49 | 2 |  | usually ships 10-13 days | 4 | 275-2711 | 175amp cable assembly (Tennant Industrial) | $210.71 | 1 |  | usually ships 1-5 days | 5 | 275-1438 | 100amp fuse | $63.14 | 2 |  | ships same day | 6 | 999-0238 | Washer 1/4 internal star lock zinc plated | $0.99 | 10 |  | ships same day | 7 | 999-0016 | Washer 1/4 flat plain finish | $0.99 | 9 |  | ships same day | 8 | 999-0190 | Nut 1/4-20 hex plain finish | $0.99 | 4 |  | ships same day | 9 | 275-0288 | Washer 1/4 internal-external lock | $4.36 | 1 |  | ships same day | 10 | 999-1053 | Washer 5/16 internal star lock stainless steel | $0.99 | 2 |  | ships same day | 11 | 999-0549 | Washer 5/16 x 3/4 SAE flat stainless steel | $0.99 | 2 |  | ships same day | 12 | 275-2720 | 24 inch cable (brown) (Tennant Industrial) | $30.84 | 1 |  | usually ships 1-5 days | 13 | 999-0016 | Washer 1/4 flat plain finish | $0.99 | 2 |  | ships same day | 14 | 275-5479 | Nut M6 x 1 (Tennant Industrial) | $2.50 | 2 |  | usually ships 10-13 days | 15 | 275-2721 | 16 inch cable (black) (Tennant Industrial) | $16.50 | 1 |  | usually ships 1-5 days | 16 | 999-0507 | Bolt M6-1 x 16mm hex head full thread plain finish | $0.99 | 5 | (before SN 026722) | ships same day | 17 | 275-2722 | Relay busbar (Tennant Industrial) | $30.51 | 1 |  | usually ships 1-5 days | 18 | 275-2723 | 52 inch cable (black) (Tennant Industrial) | $33.34 | 1 |  | usually ships 1-5 days | 19 | 275-2724 | 53 inch cable (brown) (Tennant Industrial) | $45.34 | 1 |  | usually ships 1-5 days | 20 | 275-7853 | Diode plug (Tennant Industrial) | $25.34 | 1 | (before SN 022202) | usually ships 1-5 days | 21 | 275-2725 | Diagnostic harness (Tennant Industrial) | $38.84 | 1 |  | usually ships 1-5 days | 22 | 575-0375 | SLEEVE, P/M, 0.25B 0.38D 0.8L (Tennant Industrial) | $13.17 | 2 | (after SN 026721) | usually ships 10-13 days | 23 | 999-0406 | Washer 5/16 internal star lock zinc plated | $0.99 | 2 | (after SN 026721) | ships same day | 24 | 175-0574 | Bolt 6mm-1 x 35 hex head | $4.49 | 2 | (after SN 026721) | usually ships 10-13 days | 25 | 999-0469 | Nut M6-1 nylon insert lock zinc plated | $1.32 | 2 |  | ships same day | 26 | 175-0574 | Bolt 6mm-1 x 35 hex head | $4.49 | 2 |  | usually ships 10-13 days |