| # | Part | Description | Price | Req | Notes | Availability |
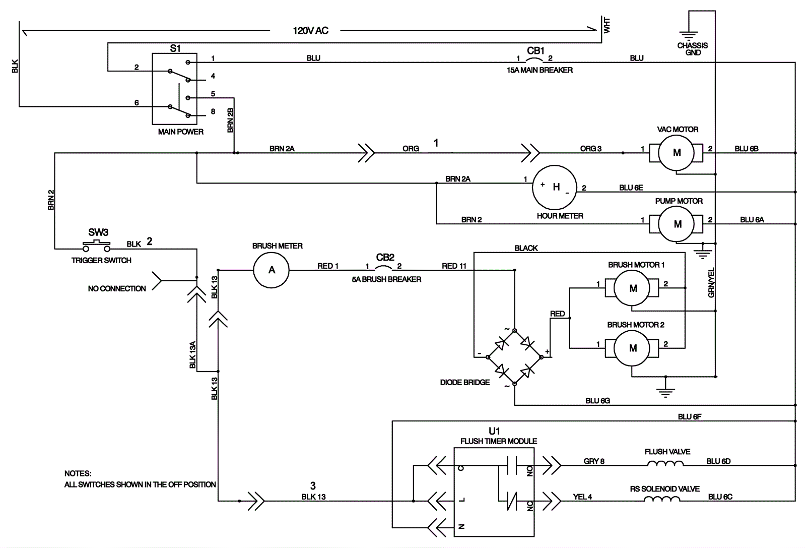
1 |
275-9753
|
14 gauge x 2 inch wire assembly (orange) |
$5.50
|
|
|
usually ships 1-5 days |
2 |
275-9754
|
14 gauge x 6 inch wire assembly (black) |
$9.68
|
|
|
usually ships 1-5 days |
3 |
275-9755
|
14 gauge x 6 inch wire assembly (black) |
$10.34
|
|
|
usually ships 1-5 days |