| # | Part | Description | Price | Req | Notes | Availability |
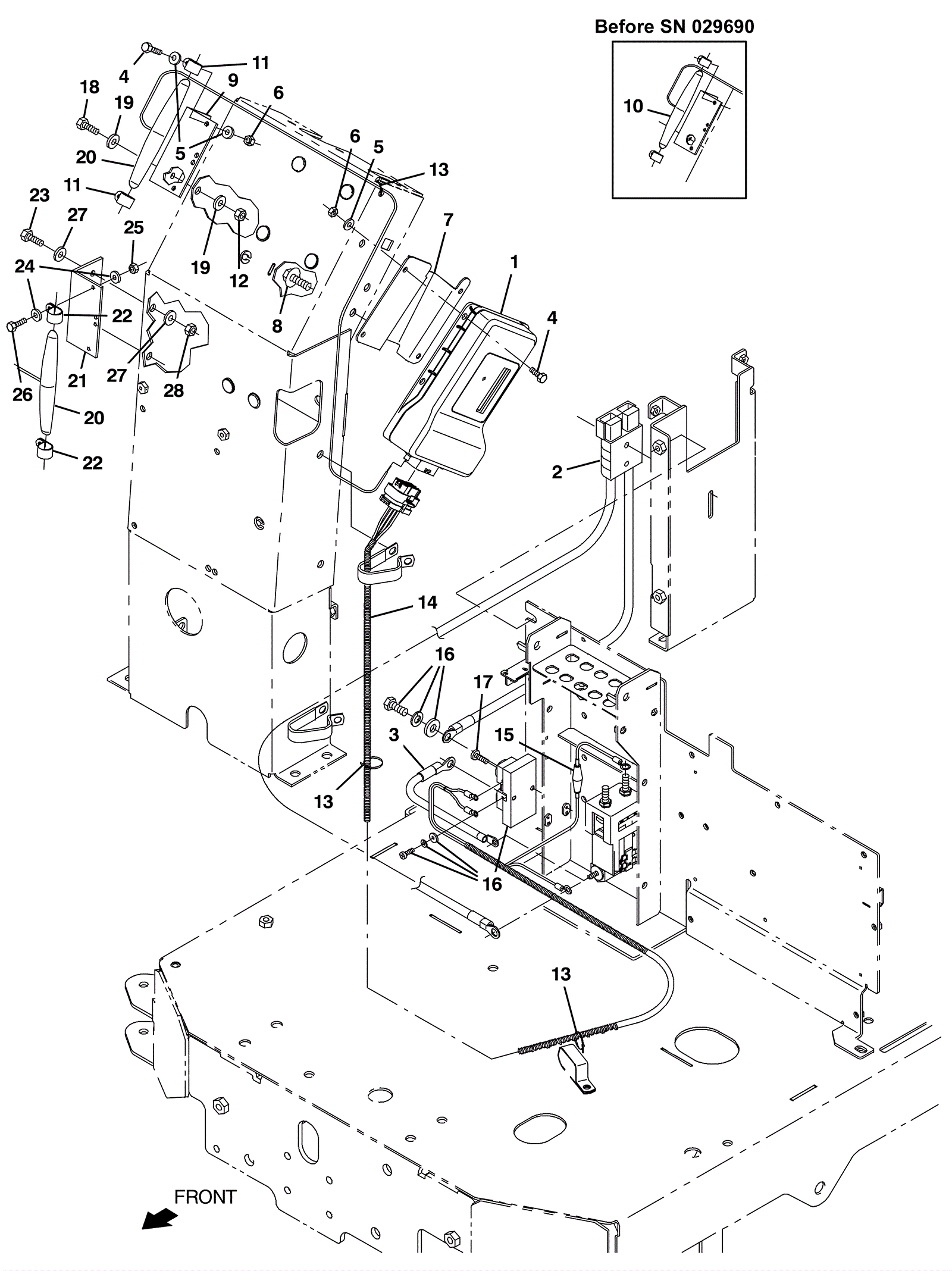
1 |
275-2615
|
Telemetry control box assembly kit |
$1,416.91
|
1 |
|
usually ships 1-5 days |
2a |
275-6349
|
Telemetry cable assembly (Tennant Industrial) |
$104.85
|
1 |
|
usually ships 1-5 days |
2b |
275-6344
|
Telemetry cable assembly (Tennant Industrial) |
$115.52
|
1 |
(lithium battery) |
usually ships 1-5 days |
3 |
275-6345
|
Telemetry cable (black) (Tennant Industrial) |
$23.67
|
1 |
|
usually ships 1-5 days |
4 |
175-0837
|
Bolt M5-.8 x 16mm hex head |
$3.30
|
6 |
|
usually ships 1-5 days |
5 |
999-0998
|
Washer #10 flat stainless steel |
$0.99
|
8 |
|
ships same day |
6 |
999-0740
|
Nut M5-.8 hex stainless steel |
$0.99
|
4 |
|
ships same day |
7 |
275-6346
|
Telemetry bracket (Tennant Industrial) |
$36.84
|
1 |
|
usually ships 1-5 days |
8 |
275-4736
|
Screw M8-1.25 x 20mm hex washer head stainless steel SEMS |
$4.49
|
1 |
|
ships same day |
9 |
275-7896
|
Antennna mounting angle (Tennant Industrial) |
$30.84
|
1 |
|
usually ships 1-5 days |
10 |
275-7897
|
Antenna |
$66.33
|
1 |
(before SN 029690) |
usually ships 1-5 days |
11 |
175-0988
|
P clamp |
$4.22
|
2 |
|
usually ships 10-13 days |
12 |
999-0469
|
Nut M6-1 nylon insert lock zinc plated |
$1.32
|
2 |
|
ships same day |
13 |
175-2162
|
Nylon wire tie |
$3.30
|
3 |
|
usually ships 10-13 days |
14 |
275-6347
|
Telemetry wire harness (Tennant Industrial) |
$152.86
|
1 |
(includes 15) |
usually ships 10-13 days |
15 |
275-7904
|
Fuse (Tennant Industrial) |
$2.17
|
1 |
|
usually ships 10-13 days |
16 |
275-7898
|
250amp shunt |
$105.71
|
1 |
|
usually ships 1-5 days |
17 |
175-5310
|
Screw 4 x 45/64 x 16 pan head |
$4.36
|
1 |
|
usually ships 1-5 days |
18 |
999-0502
|
Bolt M6-1 x 20mm hex head full thread zinc |
$0.99
|
2 |
|
ships same day |
19 |
999-0016
|
Washer 1/4 flat plain finish |
$0.99
|
4 |
|
ships same day |
20 |
375-7808
|
Telem antenna |
$59.73
|
2 |
(after SN 029689) |
usually ships 10-13 days |
21 |
275-7896
|
Antennna mounting angle (Tennant Industrial) |
$30.84
|
1 |
(after SN 029689) |
usually ships 1-5 days |
22 |
175-0988
|
P clamp |
$4.22
|
2 |
(after SN 029689) |
usually ships 10-13 days |
23 |
999-0502
|
Bolt M6-1 x 20mm hex head full thread zinc |
$0.99
|
2 |
(after SN 029689) |
ships same day |
24 |
999-0998
|
Washer #10 flat stainless steel |
$0.99
|
4 |
(after SN 029689) |
ships same day |
25 |
999-0740
|
Nut M5-.8 hex stainless steel |
$0.99
|
2 |
(after SN 029689) |
ships same day |
26 |
175-5310
|
Screw 4 x 45/64 x 16 pan head |
$4.36
|
2 |
(after SN 029689) |
usually ships 1-5 days |
27 |
999-0016
|
Washer 1/4 flat plain finish |
$0.99
|
4 |
(after SN 029689) |
ships same day |
28 |
999-0469
|
Nut M6-1 nylon insert lock zinc plated |
$1.32
|
2 |
(after SN 029689) |
ships same day |