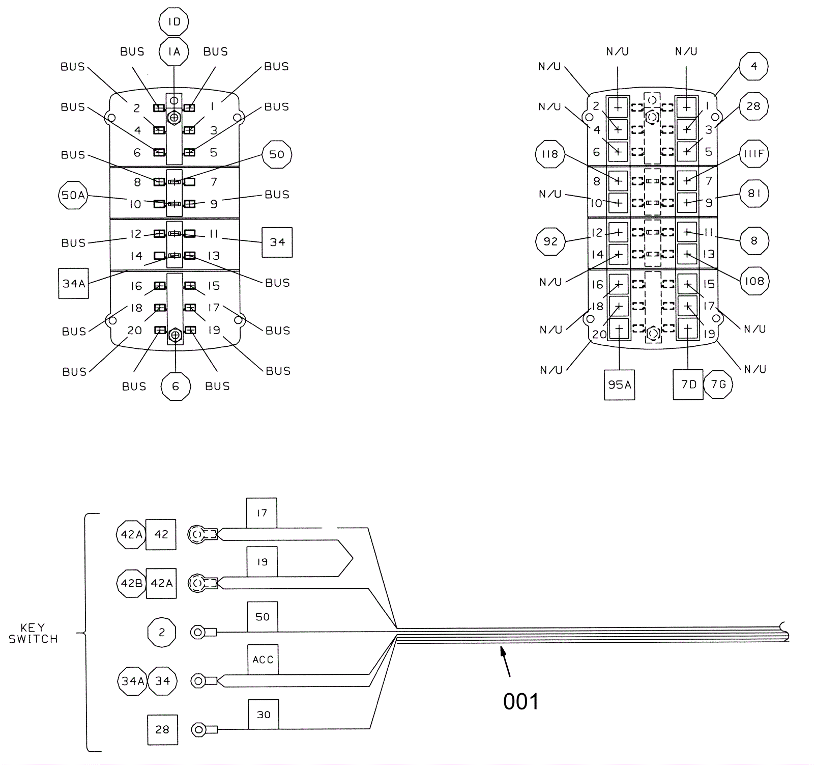
Wire Harness Assembly 5
Click to enlarge