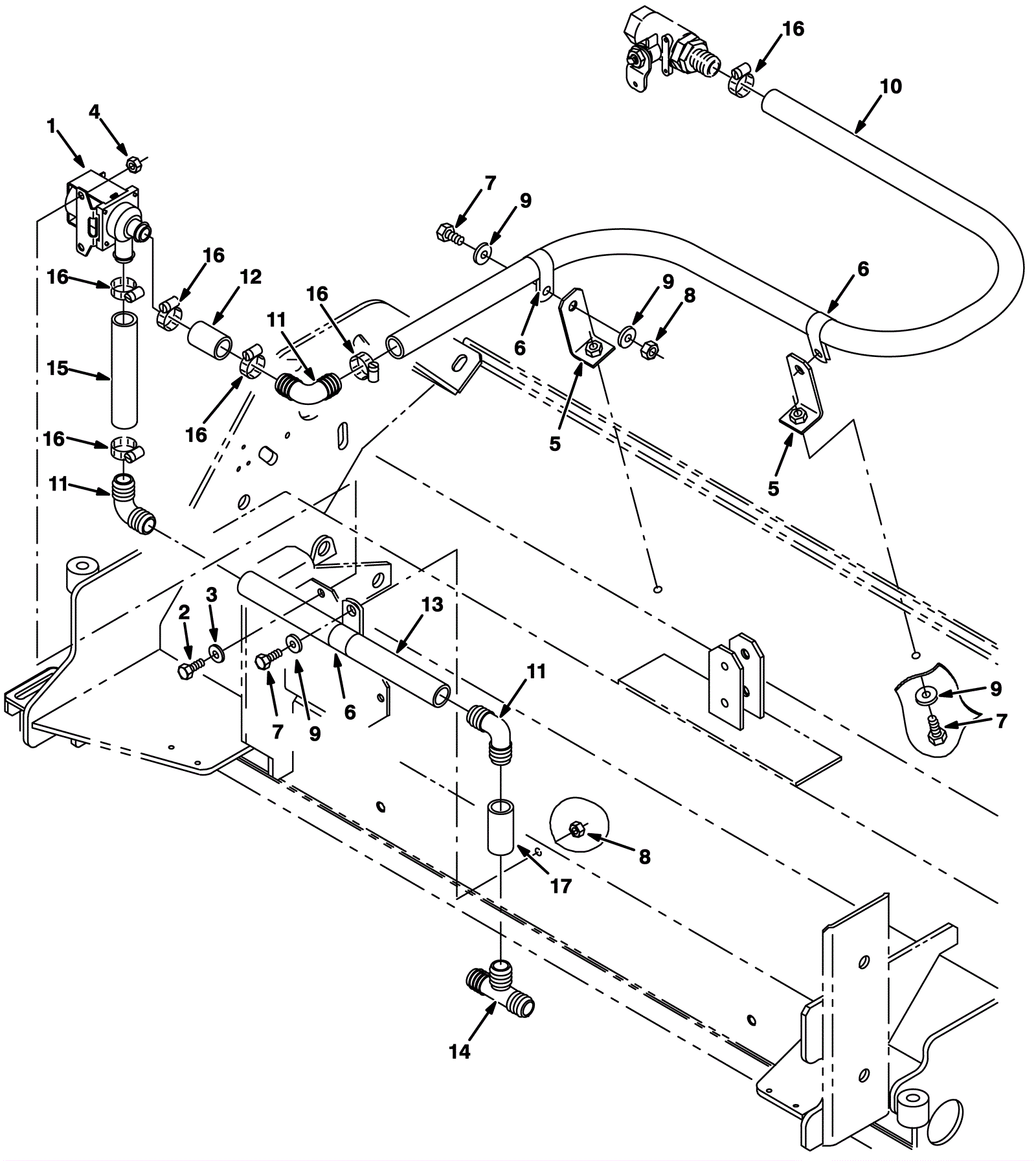
8300 Max Pro 1200 Solution Valve Assembly - Cylindrical

#PartDescriptionPriceReqNotesAvailability
2 999-0507 Bolt M6-1 x 16mm hex head full thread plain finish $0.99 2 ships same day
3 999-0335 Washer 1/4 x 5/8 SAE flat stainless steel $0.99 2 ships same day
4 999-0497 Nut M6-1 nylon insert lock stainless steel $0.99 2 ships same day
5 275-2568 Iron angle (gray) (Tennant Industrial) $25.67 2 usually ships 1-5 days
6 175-2260 P clamp $5.28 3 usually ships 10-13 days
7 999-0784 Screw M8-1.25 x 16mm hex head stainless steel $1.74 7 ships same day
8 999-0471 Nut M8-1.25 nylon insert lock zinc plated $0.99 5 ships same day
9 999-9097 Washer M8 flat stainless steel $0.99 9 ships same day
10 175-0749 HOSE, PVC, BRD, 0.75ID 1.03OD 044.5L,CLR (Tennant Industria $47.84 1 usually ships 1-5 days
11 275-2183 FITTING, PLSTC, E90, BM12/BM12 (Tennant Industrial) $18.17 3 usually ships 1-5 days
12 275-8642 PVC hose clear (Tennant Industrial) (OBSOLETE) $4.70 1 usually ships 1-5 days
13 275-8643 PVC hose clear (Tennant Industrial) (OBSOLETE) $5.80 1 usually ships 1-5 days
14 275-2185 FITTING, PLSTC, TEE, BM12/BM12/BM12 (Tennant Industrial) $11.17 1 usually ships 1-5 days
15 275-8644 PVC hose clear(Tennant Industrial) (OBSOLETE) $5.00 1 usually ships 1-5 days
16 175-2254 Hose clamp $5.50 6 ships same day
17 275-2184 HOSE, PVC, BRD, 0.75ID 1.03OD 002.0L,CLR (Tennant Industria $25.17 1 usually ships 1-5 days