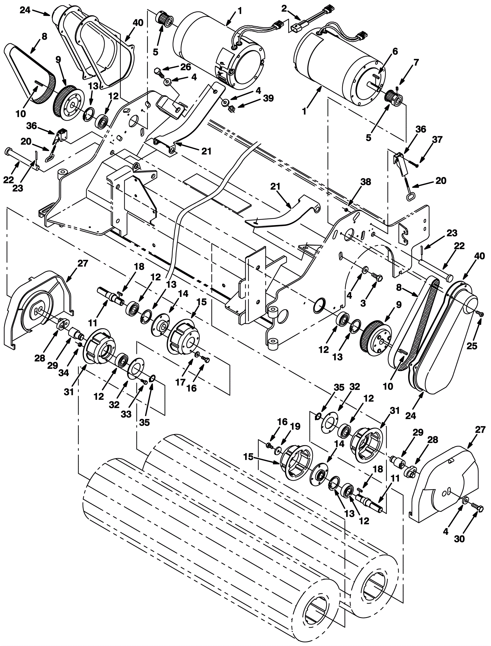
| # | Part | Description | Price | Req | Notes | Availability |
1a |
275-2566
|
Electric Motor - 1.5 HP 36 Volt (Tennant Industrial) |
$2,011.07
|
2 |
(before SN 003888) |
usually ships 1-5 days |
1b |
275-2566
|
Electric Motor - 1.5 HP 36 Volt (Tennant Industrial) |
$2,011.07
|
2 |
(after SN 003887) (includes 1c) |
usually ships 1-5 days |
1c |
175-1113
|
Carbon brush (sold individually) |
$54.01
|
2 |
(after SN 003887) |
ships same day |
2 |
175-5395
|
Jumper reverse wire assembly |
$47.41
|
1 |
|
usually ships 1-5 days |
3 |
999-1170
|
Bolt M10-1.5 x 20mm hex head stainless steel |
$3.06
|
8 |
|
ships same day |
4 |
999-0355
|
Washer 3/8 x 7/8 SAE flat stainless steel |
$0.99
|
14 |
|
ships same day |
5 |
275-8628
|
Timing sprocket 23 tooth |
$182.05
|
2 |
|
usually ships 1-5 days |
6 |
175-3200
|
Square keyway |
$4.49
|
2 |
|
ships same day |
7 |
275-0724
|
Screw M1/4 - 20 x 5/16 socket set |
$5.50
|
4 |
|
usually ships 1-5 days |
8 |
275-8629
|
Belt, synchronous (Tennant Industrial) |
$199.37
|
2 |
|
usually ships 1-5 days |
9 |
275-8630
|
SPROCKET, TIMING, 4.261PD, 68GRV, PL (Tennant Industrial) |
$739.65
|
2 |
|
usually ships 10-13 days |
10 |
275-0085
|
Square key .19 x .19 1.25l |
$4.36
|
2 |
|
usually ships 10-13 days |
11 |
275-8631
|
SHAFT, DRIVE, BRUSH (Tennant Industrial) |
$244.38
|
2 |
|
usually ships 1-5 days |
12 |
175-9072
|
Ball bearing |
$8.58
|
6 |
|
ships same day |
13 |
275-8632
|
RING, RETAINING, INT, 1.85D, BASIC (Tennant Industrial) |
$10.17
|
4 |
|
usually ships 1-5 days |
14 |
275-7993
|
Drive brush hub weldment (gray) (Tennant Industrial) |
$103.85
|
2 |
|
usually ships 1-5 days |
15 |
275-7994
|
Drive brush plug (gray) (Tennant Industrial) |
$63.51
|
2 |
|
usually ships 1-5 days |
16 |
999-0507
|
Bolt M6-1 x 16mm hex head full thread plain finish |
$0.99
|
10 |
|
ships same day |
17 |
999-0335
|
Washer 1/4 x 5/8 SAE flat stainless steel |
$0.99
|
8 |
|
ships same day |
18 |
175-8818
|
Square keyway |
$4.49
|
2 |
|
usually ships 10-13 days |
19 |
275-1464
|
WASHER, FLAT, 0.25B 1.12D .12, SS (Tennant Industrial) |
$9.50
|
2 |
|
usually ships 1-5 days |
20 |
275-8633
|
HOOK WLDT, LATCH (Tennant Industrial) |
$41.68
|
2 |
|
usually ships 10-13 days |
21 |
275-2567
|
Motor spring (gray) (Tennant Industrial) |
$159.53
|
2 |
|
usually ships 1-5 days |
22 |
275-8635
|
PIN, CLEVIS, 0.62D X 5.25L (Tennant Industrial) |
$24.00
|
2 |
|
usually ships 1-5 days |
23 |
175-2106
|
Cotter hair pin |
$4.49
|
2 |
|
ships same day |
24 |
275-8636
|
COVER, DRIVE (Tennant Industrial) |
$288.22
|
2 |
|
usually ships 1-5 days |
25 |
999-0807
|
Screw M6-1 x 10mm flat head phillips |
$2.49
|
10 |
|
ships same day |
26 |
999-0774
|
Bolt M10-1.5 x 30mm hex head stainless steel full thread |
$0.99
|
2 |
|
ships same day |
27 |
175-2977
|
COVER, IDLER (Tennant Industrial) |
$382.08
|
2 |
|
usually ships 10-13 days |
28 |
275-8637
|
CAM, FRONT (Tennant Industrial) |
$69.35
|
2 |
|
usually ships 1-5 days |
29 |
275-8638
|
CAM, REAR (Tennant Industrial) |
$62.18
|
2 |
|
usually ships 10-13 days |
30 |
999-0774
|
Bolt M10-1.5 x 30mm hex head stainless steel full thread |
$0.99
|
2 |
|
ships same day |
31 |
275-6556
|
Brush drive plug (Tennant Industrial) |
$75.52
|
2 |
|
usually ships 10-13 days |
32 |
275-6557
|
Bearing retainer (Tennant Industrial) |
$19.17
|
2 |
|
usually ships 10-13 days |
33 |
999-1220
|
Screw M5-.8 x 12mm hex head stainless steel |
$0.99
|
8 |
|
ships same day |
34 |
175-2894
|
Nut M5-.8 hex nylon locking |
$3.30
|
8 |
|
usually ships 10-13 days |
35 |
275-2003
|
Retaining ring (Tennant Industrial) |
$6.50
|
2 |
|
usually ships 10-13 days |
36 |
275-8639
|
LATCH (Tennant Industrial) |
$42.51
|
2 |
|
usually ships 10-13 days |
37 |
175-2079
|
Screw M4-.07 x 35mm pan head stainless steel |
$4.22
|
6 |
|
usually ships 10-13 days |
38 |
999-0954
|
Nut M4-.7 nylon insert lock stainless steel |
$0.99
|
6 |
|
ships same day |
39 |
999-1120
|
Nut M10-1.5 nylon insert lock stainless steel |
$3.92
|
2 |
|
ships same day |
40 |
275-8640
|
GASKET, COVER, .09 (Tennant Industrial) |
$26.01
|
2 |
|
usually ships 10-13 days |