| # | Part | Description | Price | Req | Notes | Availability |
1a |
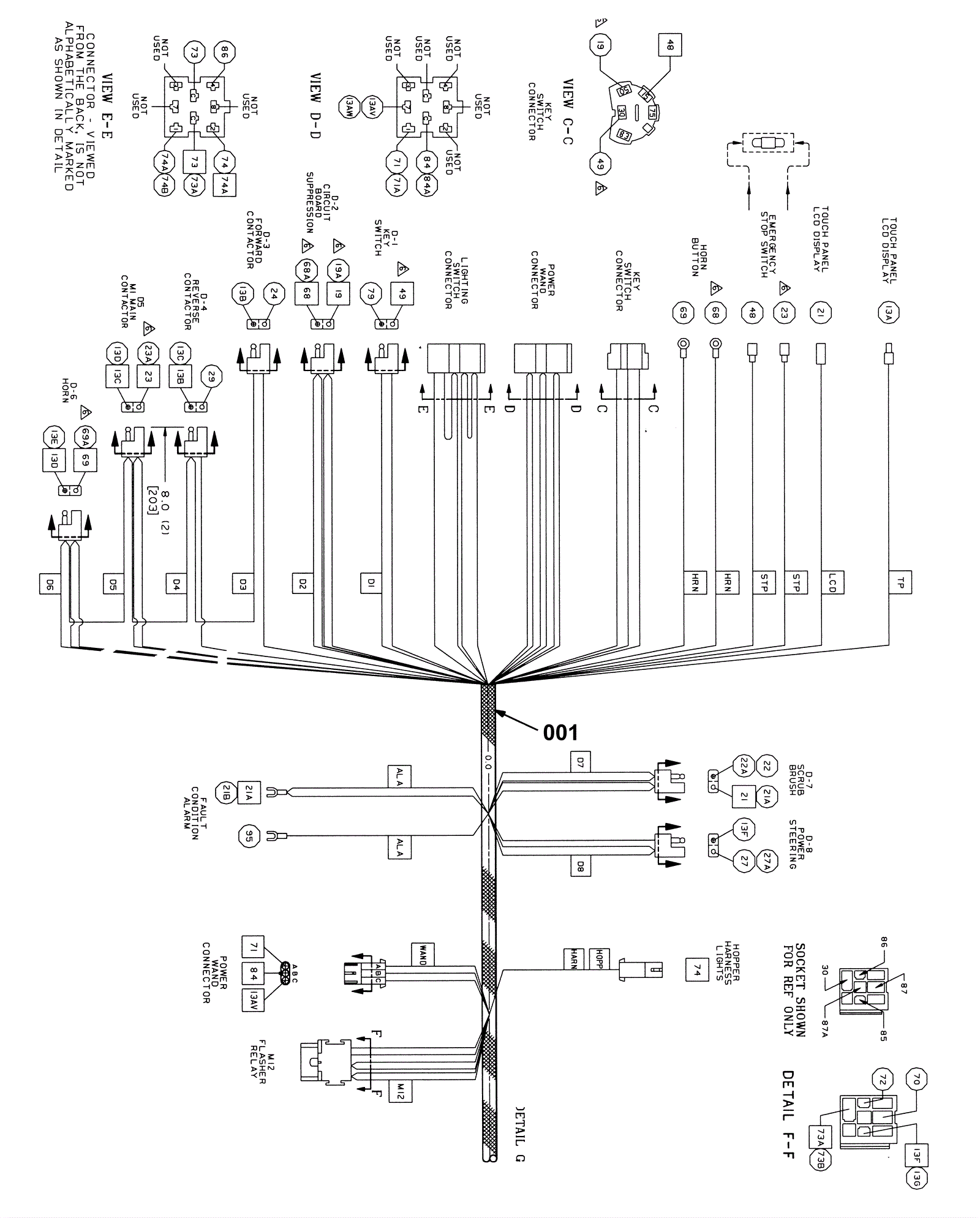
175-0878
|
HARNESS, MAIN [7300/8300] (Tennant Industrial) |
$2,570.01
|
1 |
(before SN 003234) |
usually ships 1-5 days |
1b |
175-0879
|
HARNESS, MAIN [7300/8300] (Tennant Industrial) |
$3,362.84
|
1 |
(after SN 003233) |
usually ships 1-5 days |
2 |
275-8556
|
HARNESS, JUMPER, ARM, LIFT [355L] (Tennant Industrial) |
$125.53
|
2 |
|
usually ships 10-13 days |