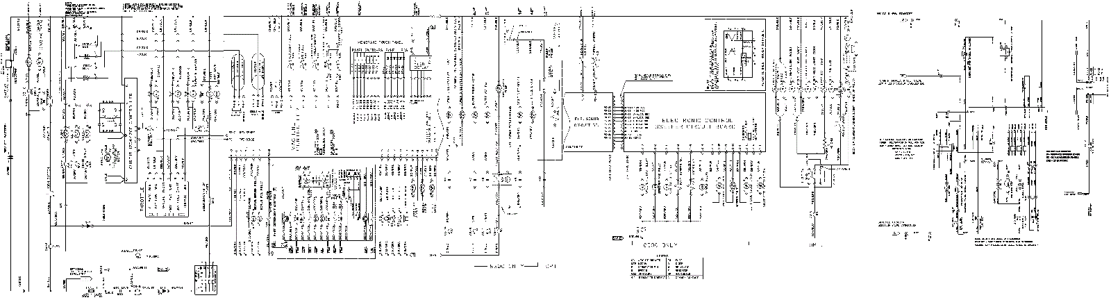
Electrical Schematic - After SN 004791
Click to enlarge