| # | Part | Description | Price | Req | Notes | Availability |
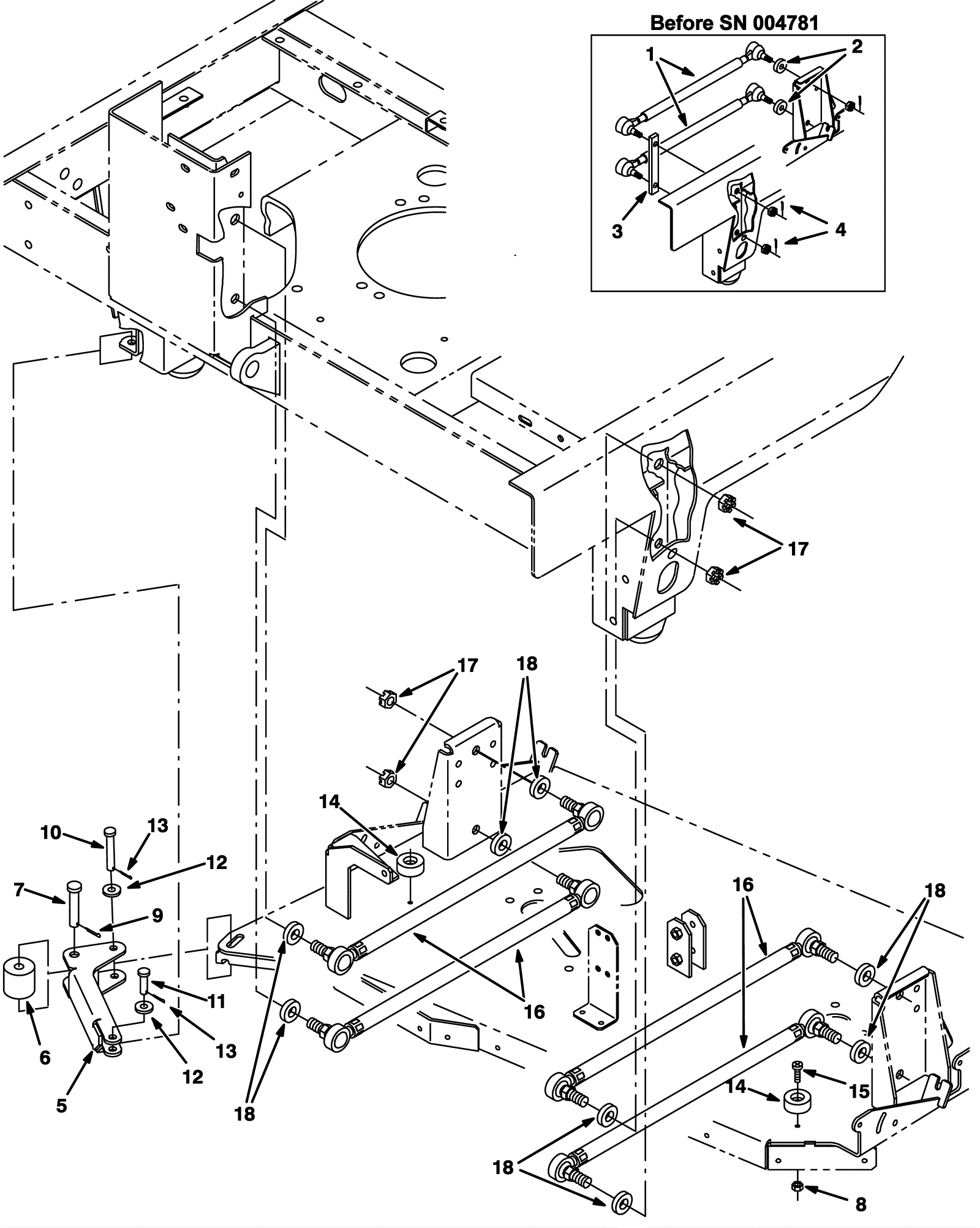
1 |
275-9319
|
LINK ASSY, ROD-END, .63-18 (Tennant Industrial) |
$226.71
|
4 |
(before SN 004781) |
usually ships 10-13 days |
2 |
275-2563
|
Rod-end link assembly (Tennant Industrial) |
$207.21
|
4 |
(before SN 004781) |
usually ships 1-5 days |
3 |
N/A
|
Not available |
Call for price
|
2 |
Link (before SN 004781) |
usually ships 3-26 days |
4 |
175-2040
|
Cotter pin |
$3.30
|
8 |
(before SN 004781) |
usually ships 10-13 days |
5a |
275-8346
|
GUARD, KICK IN, SCB HEAD (Tennant Industrial) |
$707.64
|
1 |
(before SN 007000) |
usually ships 1-5 days |
5b |
275-9318
|
Scrub head kick in guard (iron gray) (Tennant Industrial) |
$139.19
|
1 |
(after SN 006999) |
usually ships 1-5 days |
6 |
175-0742
|
TUBE, 0.52ID 1.75OD 01.6L, STL (Tennant Industrial) |
$43.84
|
1 |
|
usually ships 1-5 days |
7 |
175-0716
|
Clevis pin |
$5.28
|
1 |
|
usually ships 10-13 days |
8 |
999-0497
|
Nut M6-1 nylon insert lock stainless steel |
$0.99
|
2 |
|
ships same day |
9 |
175-3281
|
Cotter pin |
$3.30
|
1 |
|
usually ships 10-13 days |
10 |
175-0743
|
PIN, CLEVIS, 0.38D X 2.50L (Tennant Industrial) |
$9.84
|
1 |
|
ships same day |
11 |
175-0744
|
Clevis pin .37D x 1 5/16 |
$4.22
|
1 |
|
usually ships 10-13 days |
12 |
999-0355
|
Washer 3/8 x 7/8 SAE flat stainless steel |
$0.99
|
2 |
|
ships same day |
13 |
175-6176
|
Cotter pin |
$3.30
|
2 |
|
ships same day |
14 |
175-0745
|
BUMPER, RBR, 1.5D 0.63 0.31H (Tennant Industrial) |
$12.17
|
2 |
|
usually ships 1-5 days |
15 |
999-1312
|
Screw M6-1 x 20mm hex head stainless steel |
$0.99
|
2 |
|
ships same day |
16 |
275-9319
|
LINK ASSY, ROD-END, .63-18 (Tennant Industrial) |
$226.71
|
4 |
(after SN 004780) |
usually ships 10-13 days |
17 |
999-0403
|
Nut 5/8-18 nylon insert lock grade 8 yellow zinc |
$6.27
|
8 |
(after SN 004780) |
ships same day |
18 |
275-9320
|
Rod-end tube (gray) (Tennant Industrial) |
$14.67
|
8 |
(after SN 004780) |
usually ships 1-5 days |